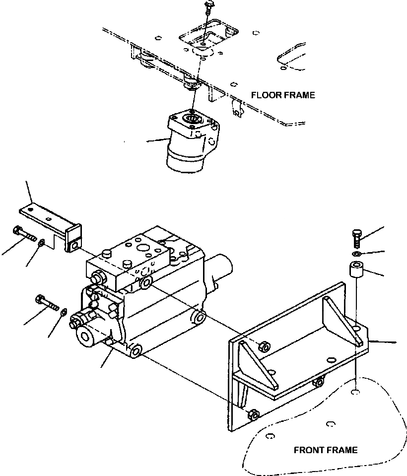
Запчасти Komatsu WA800-3LC H-A КЛАПАН РУЛЕВОГО УПРАВЛЕНИЯ КЛАПАН И ЭЛЕМЕНТЫ КРЕПЛЕНИЯ ГИДРАВЛИКА

Схема запчастей Komatsu WA800-3LC - H-A КЛАПАН РУЛЕВОГО УПРАВЛЕНИЯ КЛАПАН И ЭЛЕМЕНТЫ КРЕПЛЕНИЯ ГИДРАВЛИКА
10
9
4
5
6
8
3
7
2
8
1
FIT
1:1
100%

Артикул

Название

Примечание

Количество

1

VALVE ASSEMBLY, STEERING DEMAND (SEE FIG. H0122-02A0 )

SN: A50001--UP

-1шт.

2

-1шт.

2

-1шт.

2

427-S33-3110

BRACKET

SN: A50001--UP

1шт.

3

421-62-17521

SPACER

SN: A50001--UP

3шт.

4

01010-81680

BOLT

SN: A50001--UP

3шт.

5

01643-31645

WASHER

SN: A50001--UP

3шт.

6

01011-81450

BOLT

SN: A50001--UP

1шт.

7

01011-81430

BOLT

SN: A50001--UP

2шт.

8

01643-31445

WASHER

SN: A50001--UP

3шт.

9

427-S33-2520

BRACKET

SN: A50001--UP

1шт.

10

427-S33-2821

VALVE ASSEMBLY, STEERING

SN: A50001--UP

1шт.

Выбрано товаров: 12