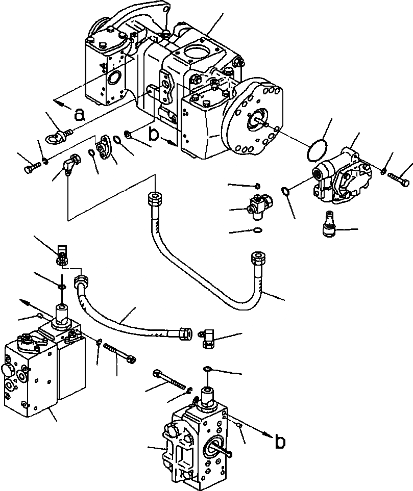
Запчасти Komatsu WA800-3LC H-A ПОГРУЗ. НАСОС СЕРВОКЛАПАНS (заводской номер A- ) ГИДРАВЛИКА

Схема запчастей Komatsu WA800-3LC - H-A ПОГРУЗ. НАСОС СЕРВОКЛАПАНS (заводской номер A- ) ГИДРАВЛИКА
1
8
7
16
11
15
12
10
14
13
19
18
21
26
9
22
24
23
8
25
20
4
22
6
23
5
5
6
2
3
4
17
27
FIT
1:1
100%

Артикул

Название

Примечание

Количество

|$0

708-2L-00950

PUMP ASSEMBLY

SN: A50023--UP

1шт.

1

PUMP, SUBASSEMBLY (SEE FIG. H1600-02A1 )

SN: A50023--UP

-1шт.

2

VALVE ASSEMBLY SERVO, FRONT (SEE FIG. H1600-07A0 )

SN: A50023--UP

-1шт.

|$3

SN: A50023--UP

-1шт.

3

VALVE ASSEMBLY SERVO, REAR (SEE FIG. H1600-10A0 )

SN: A50023--UP

-1шт.

4

04020-00616

PIN, DOWEL

SN: A50023--UP

4шт.

5

708-25-19130

BOLT

SN: A50023--UP

8шт.

6

01602-00825

WASHER, SPRING

SN: A50023--UP

8шт.

7

PUMP ASSEMBLY (SEE FIG. H1600-05A0 )

SN: A50023--UP

-1шт.

8

708-25-19180

O-RING

SN: A50023--UP

1шт.

9

VALVE ASSEMBLY, RELIEF (SEE FIG. H1600-06A0 )

SN: A50023--UP

-1шт.

|$11

SN: A50023--UP

-1шт.

10

01010-80820

BOLT

SN: A50023--UP

2шт.

11

01643-50823

WASHER

SN: A50023--UP

2шт.

12

720-68-15240

FILTER

SN: A50023--UP

1шт.

13

708-25-19120

FLANGE

SN: A50023--UP

1шт.

14

07000-E2021

O-RING

SN: A50023--UP

1шт.

15

01010-80820

BOLT

SN: A50023--UP

2шт.

16

01602-50823

WASHER, SPRING

SN: A50023--UP

2шт.

17

07232-10422

ELBOW

SN: A50023--UP

1шт.

18

07222-00414

PLUG

SN: A50023--UP

1шт.

19

07002-32034

O-RING

SN: A50023--UP

1шт.

20

07102-20405

HOSE

SN: A50023--UP

1шт.

21

07235-50425

ELBOW

SN: A50023--UP

1шт.

22

07235-10210

ELBOW

SN: A50023--UP

2шт.

23

07002-21423

O-RING

SN: A50023--UP

2шт.

24

07002-32034

O-RING

SN: A50023--UP

1шт.

25

07102-20203

HOSE

SN: A50023--UP

1шт.

26

07002-22434

O-RING

SN: A50023--UP

1шт.

27

04530-01018

BOLT, EYE

SN: A50023--UP

1шт.

Выбрано товаров: 30