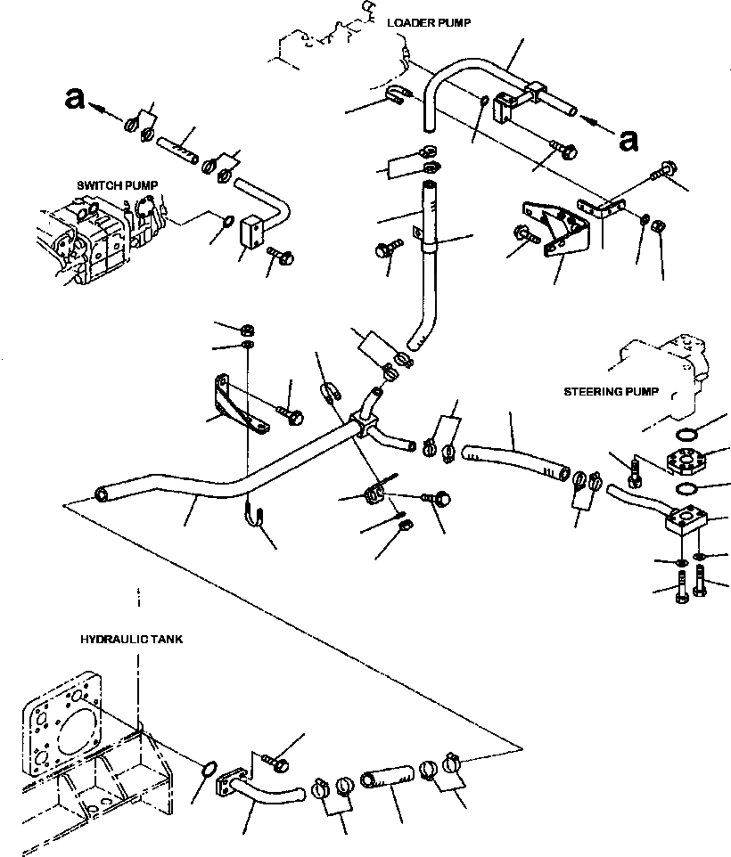
Запчасти Komatsu WA800-3LC H-A ГИДРОЛИНИЯ ЛИНИЯ КЛАПАНА PPC ЗАДН. (/) ГИДРАВЛИКА

Схема запчастей Komatsu WA800-3LC - H-A ГИДРОЛИНИЯ ЛИНИЯ КЛАПАНА PPC ЗАДН. (/) ГИДРАВЛИКА
23
41
40
28
41
24
18
25
27
19
21
43
26
32
42
30
22
44
29
31
18
10
14
11
8
20
17
36
7
35
34
36
12
33
6
16
20
13
39
9
39
15
37
38
3
2
5
4
5
1
FIT
1:1
100%

Артикул

Название

Примечание

Количество

1

427-62-14330

TUBE

SN: A50001--UP

1шт.

2

07000-F3048

O-RING

SN: A50001--UP

1шт.

3

01435-01235

BOLT

SN: A50001--UP

4шт.

4

07260-04116

HOSE

SN: A50001--UP

1шт.

5

07289-00055

CLAMP

SN: A50001--UP

4шт.

6

427-62-22960

TUBE

SN: A50001--UP

1шт.

7

427-62-14431

BRACKET

SN: A50001--UP

1шт.

8

01435-01225

BOLT

SN: A50001--UP

2шт.

9

07283-34346

CLIP

SN: A50001--UP

1шт.

10

01597-01009

NUT

SN: A50001--UP

2шт.

11

01643-31032

WASHER

SN: A50001--UP

2шт.

12

427-62-14542

PLATE

SN: A50001--UP

1шт.

13

01435-01225

BOLT

SN: A50001--UP

2шт.

14

07283-34346

CLIP

SN: A50001--UP

1шт.

15

01597-01009

NUT

SN: A50001--UP

2шт.

16

01643-31032

WASHER

SN: A50001--UP

2шт.

17

07260-02650

HOSE

SN: A50001--UP

1шт.

18

07289-00035

CLAMP

SN: A50001--UP

4шт.

19

07260-03250

HOSE

SN: A50001--UP

1шт.

20

07289-00055

CLAMP

SN: A50001--UP

4шт.

21

19M-60-12720

CLIP

SN: A50001--UP

1шт.

22

01435-01220

BOLT

SN: A50001--UP

1шт.

23

427-62-12940

TUBE

SN: A50001--UP

1шт.

24

07000-F3030

O-RING

SN: A50001--UP

1шт.

25

01435-01055

BOLT

SN: A50001--UP

2шт.

26

427-62-22980

PLATE

SN: A50001--UP

1шт.

27

01435-01025

BOLT

SN: A50001--UP

2шт.

28

07283-33442

CLIP

SN: A50001--UP

1шт.

29

01597-01009

NUT

SN: A50001--UP

2шт.

30

01643-31032

WASHER

SN: A50001--UP

2шт.

31

427-62-24991

BRACKET

SN: A50001--UP

1шт.

32

01435-01225

BOLT

SN: A50001--UP

2шт.

33

427-62-24110

TUBE

SN: A50001--UP

1шт.

34

421-62-13740

ADAPTER

SN: A50001--UP

1шт.

35

01252-71220

BOLT

SN: A50001--UP

4шт.

36

07000-F3048

O-RING

SN: A50001--UP

2шт.

37

01010-81255

BOLT

SN: A50001--UP

3шт.

38

01010-81250

BOLT

SN: A50001--UP

1шт.

39

01643-51232

WASHER

SN: A50001--UP

4шт.

40

07260-02622

HOSE

SN: A50001--UP

1шт.

41

07289-00035

CLAMP

SN: A50001--UP

4шт.

42

427-62-12920

TUBE

SN: A50001--UP

1шт.

43

07000-F3030

O-RING

SN: A50001--UP

1шт.

44

01435-01055

BOLT

SN: A50001--UP

2шт.

Выбрано товаров: 44