Качественные детали и логистика
Оригинальные и аналоговые запчасти с доставкой по России, Казахстану и Беларуси
©2022 PartSell ООО "Система" ИНН 2463123282 ОГРН 1212400004838
Центральный офис: г. Красноярск, Академика Киренского, д.87, пом.4
Телефон: 8 (800) 777-65-74 Email: zakaz@partsell.ru
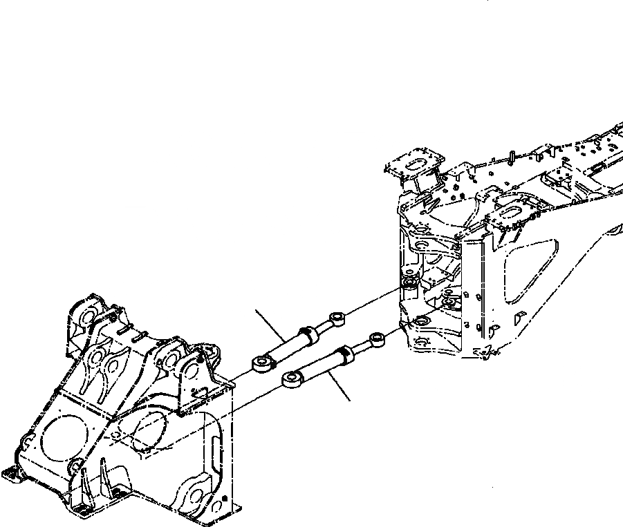
J-A ЦИЛИНДР РУЛЕВ. УПР-ЯS
№
Артикул
Название
Примечание
Количество
1
CYLINDER, LEFT STEERING (SEE FIG. J4140-02A0 )
SN: A50001--UP
-1шт.
CYLINDER, RIGHT STEERING (SEE FIG. J4140-02A0 )
Выбрано товаров: 0