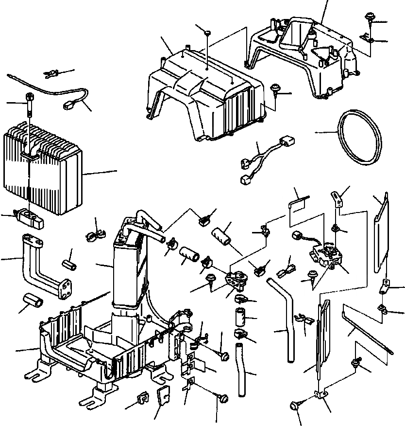
Запчасти Komatsu WA800-3LC K7-A КОНДИЦ. ВОЗДУХА БЛОК КОНДИЦИОНЕРА (/) OPERATORS ОБСТАНОВКА И СИСТЕМА УПРАВЛЕНИЯ

Схема запчастей Komatsu WA800-3LC - K7-A КОНДИЦ. ВОЗДУХА БЛОК КОНДИЦИОНЕРА (/) OPERATORS ОБСТАНОВКА И СИСТЕМА УПРАВЛЕНИЯ
3
32
37
2
18
29
34
22
23
8
21
4
12
15
9
33
31
6
25
27
26
43
31
33
19
33
5
25
24
33
38
13
38
33
7
28
30
25
42
37
17
31
14
33
1
39
16
10
27
40
41
11
20
35
36
FIT
1:1
100%

Артикул

Название

Примечание

Количество

|$0

425-07-21111

AIR CONDITIONER UNIT

SN: A50001--UP

1шт.

1

ND245420-4200

CASE ASSEMBLY

SN: A50001--UP

1шт.

2

ND245420-0210

CASE ASSEMBLY

SN: A50001--UP

1шт.

3

ND116452-0561

CASE, HEATER

SN: A50001--UP

1шт.

4

ND447600-0651

EVAPORATOR

SN: A50001--UP

1шт.

|$5

ND949142-0030

O-RING

SN: A50001--UP

1шт.

5

ND116410-9680

UNIT ASSEMBLY

SN: A50001--UP

1шт.

6

ND447500-1030

VALVE, EXPANSION

SN: A50001--UP

1шт.

7

ND113600-9260

VALVE ASSEMBLY, WATER

SN: A50001--UP

1шт.

8

ND146622-6880

PACKING

SN: A50001--UP

1шт.

9

ND116730-0530

DAMPER ASSEMBLY

SN: A50001--UP

1шт.

10

ND116730-0520

DAMPER ASSEMBLY

SN: A50001--UP

1шт.

11

ND017732-3041

LEVER, CONTROL

SN: A50001--UP

1шт.

12

ND017732-3050

LEVER, CONTROL

SN: A50001--UP

1шт.

13

ND017732-3060

LEVER, CONTROL

SN: A50001--UP

1шт.

14

ND116662-0581

SHAFT

SN: A50001--UP

1шт.

15

ND116662-0590

SHAFT

SN: A50001--UP

1шт.

16

ND116427-5540

PIPE

SN: A50001--UP

1шт.

17

ND116427-2320

PIPE

SN: A50001--UP

1шт.

18

ND017660-3490

BRACKET

SN: A50001--UP

2шт.

19

ND446870-2320

TUBE & ACC. ASSEMBLY, AIR

SN: A50001--UP

1шт.

|$21

ND949142-0010

O-RING

SN: A50001--UP

1шт.

|$22

ND949142-0030

O-RING

SN: A50001--UP

2шт.

20

ND146984-4750

GROMMET

SN: A50001--UP

1шт.

21

ND246440-5200

WIRING HARNESS

SN: A50001--UP

1шт.

22

ND949046-2150

BOLT

SN: A50001--UP

2шт.

23

ND077500-3620

THERMOSTAT

SN: A50001--UP

1шт.

24

ND063700-6580

SERVO MOTOR ASSEMBLY

SN: A50001--UP

1шт.

25

ND705220-0500

HOSE, WATER

SN: A50001--UP

3шт.

26

ND146625-2630

BUSHING

SN: A50001--UP

1шт.

27

ND246690-2930

CLAMP

SN: A50001--UP

2шт.

28

ND146625-5040

BUSHING

SN: A50001--UP

2шт.

29

ND246690-2840

CLAMP

SN: A50001--UP

1шт.

30

ND017231-1400

CLAMP

SN: A50001--UP

1шт.

31

ND246690-6740

CLAMP

SN: A50001--UP

3шт.

32

ND246690-5150

CLAMP

SN: A50001--UP

3шт.

33

ND949351-0720

CLAMP

SN: A50001--UP

6шт.

34

ND949001-1730

SCREW, TAPPING

SN: A50001--UP

11шт.

35

ND949008-0780

SCREW, TAPPING

SN: A50001--UP

3шт.

36

ND913700-3081

SCREW, WITH WASHER

SN: A50001--UP

3шт.

37

ND909300-5121

SCREW, TAPPING

SN: A50001--UP

3шт.

38

ND909300-6141

SCREW, TAPPING

SN: A50001--UP

12шт.

39

ND017773-0180

CLIP

SN: A50001--UP

2шт.

40

ND017773-0140

CLIP

SN: A50001--UP

1шт.

41

ND146642-7930

PLATE

SN: A50001--UP

1шт.

42

ND700904-0050

SHEET

SN: A50001--UP

1шт.

43

ND700901-0050

SHEET

SN: A50001--UP

1шт.

Выбрано товаров: 0