Запчасти Komatsu WA800-3LC M-A КАПОТ TOP КАПОТ AND ВЕРХН. БОКОВ. КРЫШКА ЧАСТИ КОРПУСА

Схема запчастей Komatsu WA800-3LC - M-A КАПОТ TOP КАПОТ AND ВЕРХН. БОКОВ. КРЫШКА ЧАСТИ КОРПУСА
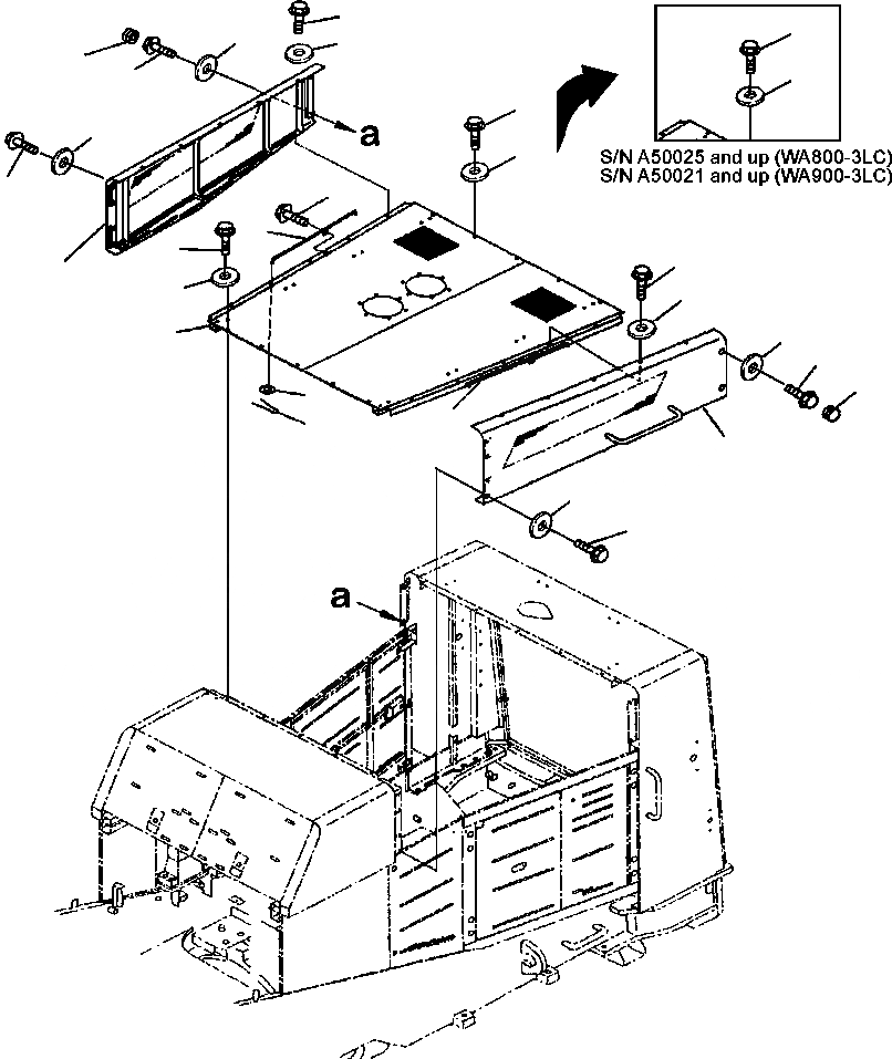
12
13
2
13
11
14
10
2
13
13
6
9
3
2
12
8
15
13
13
1
10
11
4
3
5
7
13
9
FIT
1:1
100%

Артикул

Название

Примечание

Количество

1

427-54-A1640

HOOD, TOP

SN: A50023--UP

1шт.

|$27

OR

1

-1шт.

1

427-54-A1730

HOOD, TOP

SN: A50001-A50022-UP

1шт.

2

01010-81440

BOLT

SN: A50023--UP

10шт.

|$28

OR

4

-1шт.

2

01010-81230

BOLT

SN: A50017-A50022-UP

10шт.

|$29

OR

6

-1шт.

2

01435-01225

BOLT

SN: A50001-A50016-UP

10шт.

3

426-54-11141

ROD

SN: A50001--UP

2шт.

4

01643-31232

WASHER

SN: A50001--UP

2шт.

5

04050-13020

PIN, COTTER

SN: A50001--UP

2шт.

6

01435-01220

BOLT

SN: A50001--UP

2шт.

7

427-54-A1590

HOOD, LEFT SIDE

SN: A50001--UP

1шт.

8

427-54-A1630

HOOD, RIGHT SIDE

SN: A50001--UP

1шт.

9

01010-81235

BOLT

SN: A50017-A50022-UP

8шт.

|$30

OR

15

-1шт.

9

01435-01230

BOLT

SN: A50001-A50016-UP

8шт.

10

01010-81230

BOLT

SN: A50017-A50022-UP

4шт.

|$31

OR

18

-1шт.

10

01435-01225

BOLT

SN: A50001-A50016-UP

4шт.

11

09415-02512

CAP

SN: A50001--UP

4шт.

12

01010-81225

BOLT

SN: A50017-A50022-UP

10шт.

|$32

OR

22

-1шт.

12

01435-01220

BOLT

SN: A50001-A50016-UP

10шт.

13

01643-31232

WASHER

SN: A50001--UP

22шт.

14

124-54-26540

WASHER

SN: A50025--UP

10шт.

15

569-40-61710

WASHER

SN: A50001--UP

10шт.

Выбрано товаров: 27