Запчасти Komatsu WA800-3LC Y-A PM SERVICE ITEMS ОСНОВН. КОМПОНЕНТЫ И РЕМКОМПЛЕКТЫ

Схема запчастей Komatsu WA800-3LC - Y-A PM SERVICE ITEMS ОСНОВН. КОМПОНЕНТЫ И РЕМКОМПЛЕКТЫ
6
6
6
6
6
1
6
7
2
3
6
1
5
4
6
FIT
1:1
100%

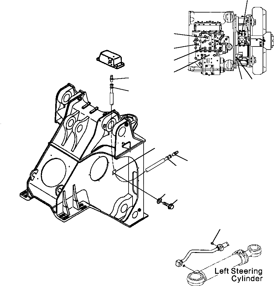
Артикул

Название

Примечание

Количество

1

07238-10208

CONNECTOR

SN: A50001--UP

2шт.

2

07071-00223

HOSE

SN: A50001--UP

1шт.

3

04434-51810

CLIP

SN: A50001--UP

5шт.

4

01010-81020

BOLT

SN: A50001--UP

5шт.

5

01643-31032

WASHER

SN: A50001--UP

5шт.

6

799-101-5160

QUICK COUPLER

SN: A50001--UP

8шт.

7

07323-20100

ELBOW

SN: A50001--UP

1шт.

Выбрано товаров: 7