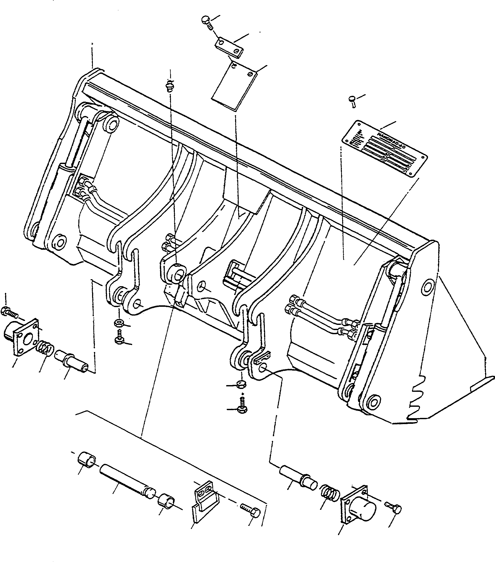
Запчасти Komatsu WA90-1 GRAB КОВШ, LITERS 9 ОБОРУД-Е

Схема запчастей Komatsu WA90-1 - GRAB КОВШ, LITERS 9 ОБОРУД-Е
5
1
17
4
13
15
14
3
16
18
11
6
7
10
9
6
8
7
8
12
9
15
11
10
FIT
1:1
100%

Артикул

Название

Примечание

Количество

1

4229134M91

GRAB BUCKET

1шт.

|$19

GRAB BUCKET

-3шт.

2

4228996M91

ATTACHING KIT

1шт.

3

4227805M1

STRAP

1шт.

4

4225438M1

SLAT

1шт.

5

391357X1

SCREW

2шт.

6

339034X1

NUT

2шт.

7

391421X1

SCREW

2шт.

8

4226400M1

JOURNAL

2шт.

9

2980745M1

COMPRESSION SPRING

2шт.

10

4225220M91

HOUSING

2шт.

11

1444131X1

SCREW

8шт.

12

4227347M1

PIN

2шт.

13

2951971M91

AXLE HOLDER

10шт.

14

1444131X1

SCREW

10шт.

15

4227360M1

BUSHING

2шт.

16

339608X1

LUBRICATION NIPPLE

1шт.

17

1444435X1

NOTCHED NAIL

4шт.

18

4241458M1

IDENTITY PLATE

1шт.

Выбрано товаров: 19