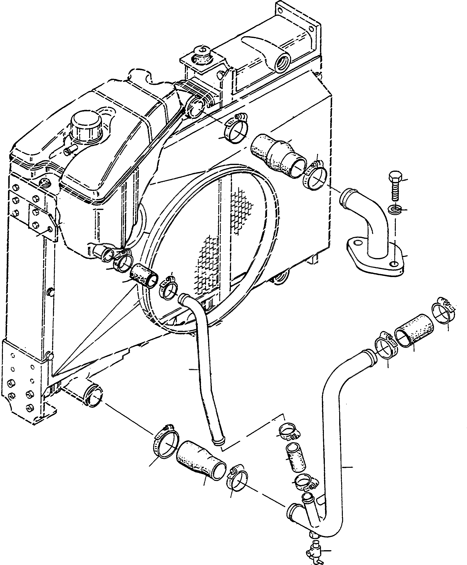
Запчасти Komatsu WA90-1 ОХЛАЖД-Е ВОДН. PIPES СИСТЕМА ОХЛАЖДЕНИЯ

Схема запчастей Komatsu WA90-1 - ОХЛАЖД-Е ВОДН. PIPES СИСТЕМА ОХЛАЖДЕНИЯ
11
12
12
13
14
1
7
7
6
2
3
5
2
7
6
8
10
7
9
2
4
FIT
1:1
100%

Артикул

Название

Примечание

Количество

1

4229131M91

PIPE

1шт.

2

1444841X1

CLIP

3шт.

3

1443901X1

HOSE

1шт.

4

1444637X1

DRAIN COOK

1шт.

5

4228767M1

TUBE

1шт.

6

2995309X1

HOSE

2шт.

7

1444839X1

CLIP

2шт.

8

4228870M91

PIPE

1шт.

9

4228750M1

HOSE

1шт.

10

1444842X1

CLIP

1шт.

11

4700052X1

HOSE

1шт.

12

2995076X1

CLIP

2шт.

13

4906745M1

SCREW

2шт.

14

4605464M1

SPRING WASHER

2шт.

Выбрано товаров: 14