Запчасти Komatsu WA90-1 WINDЗАЩИТН.-ДВОРНИКИ - ОМЫВАТЕЛЬ СИСТЕМА, ПЕРЕДН. ЭЛЕКТРИЧ. СИСТЕМА

Схема запчастей Komatsu WA90-1 - WINDЗАЩИТН.-ДВОРНИКИ - ОМЫВАТЕЛЬ СИСТЕМА, ПЕРЕДН. ЭЛЕКТРИЧ. СИСТЕМА
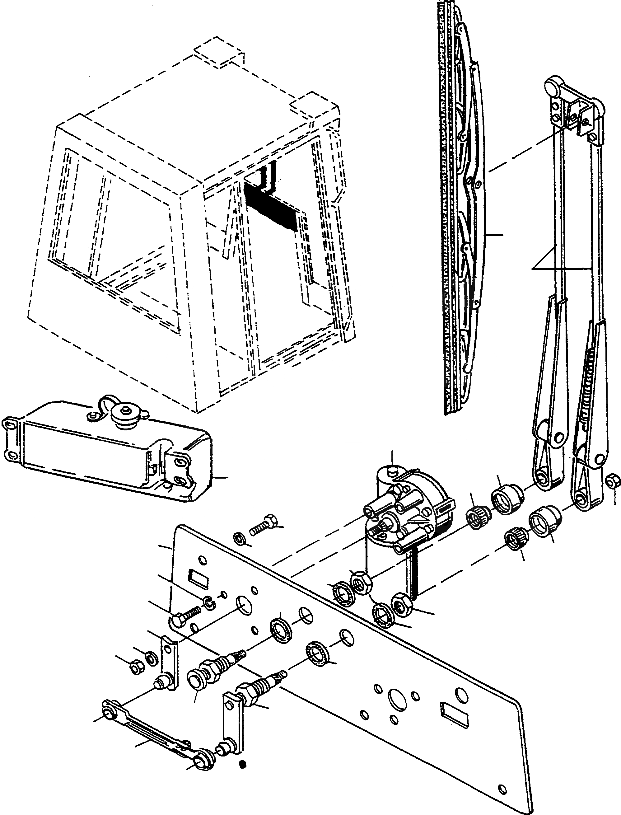
14
14
10
20
18
4
17
21
16
19
3
1
2
17
15
16
5
6
13
15
7
8
9
13
12
11
FIT
1:1
100%

Артикул

Название

Примечание

Количество

1

4241426M91

PLATE

1шт.

2

2993680X1

LOCK WASHER

4шт.

3

339282X1

SCREW

4шт.

4

4225781M91

WIPER MOTOR

1шт.

5

1440998X1

SPRING PLATE

3шт.

6

3000984X1

SCREW

3шт.

7

3085101M91

CRANK

1шт.

8

1440998X1

SPRING PLATE

1шт.

9

339030X1

NUT

1шт.

10

4240840M91

HINGE ROD

1шт.

11

3094845M91

SUPPORT

1шт.

12

3094843M91

SUPPORT

1шт.

13

2976993M1

GASKET

2шт.

14

3089117M1

GASKET DISC

2шт.

15

2976989M1

NUT

2шт.

16

4201853M1

CAP

2шт.

17

3089116M1

SECURITY CAP

2шт.

18

4240841M91

WIPER ARM

1шт.

19

1444329X1

NUT

2шт.

20

2961843M91

WIPER BLADE

1шт.

21

4241038M91

CONTAINER

1шт.

|$22

CONTAINER

-3шт.

Выбрано товаров: 22