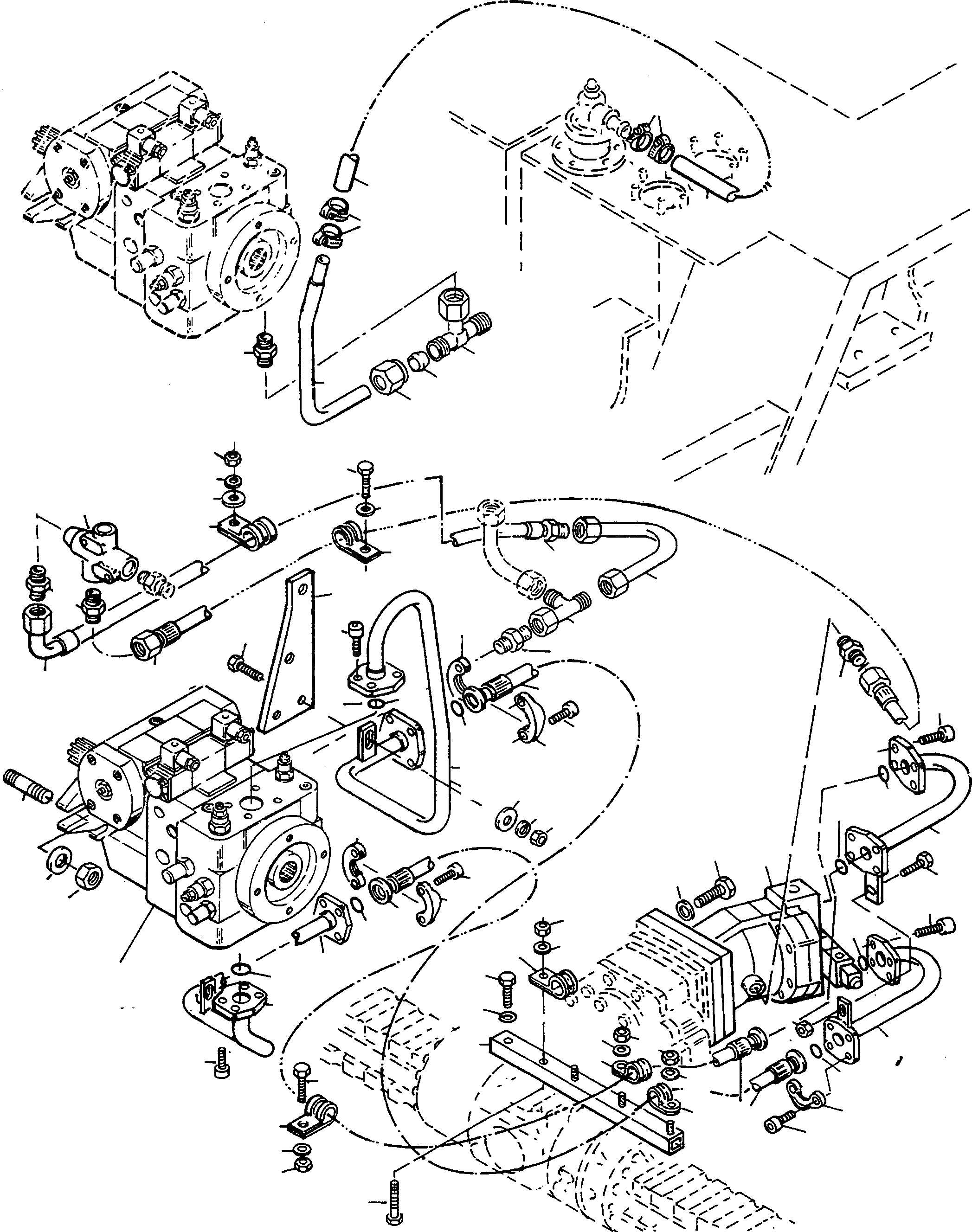
Запчасти Komatsu WA90-1 HYDROSTAT ТРАНСМИССИЯ ТРАНСМИССИЯ, КРЕСТОВИНА

Схема запчастей Komatsu WA90-1 - HYDROSTAT ТРАНСМИССИЯ ТРАНСМИССИЯ, КРЕСТОВИНА
6
53
31
26A
42
1A
29A
46
44
39A
36
38A
34
14
24
48
2
3
3
2
7
25
4
5
18
8
54
16
17
52
26
49
15
27
21
24
26
22
36
35
36
35
36
34
37
37
19
36
20
36
9
18
23
39
43
45
14
41
10
23
11
35
22
13
51
50
12
32
1
36
42
12
33
31
18
29
38
28
14
36
30
31
28
34
22
28
35
8
46
47
40
42A
FIT
1:1
100%

Артикул

Название

Примечание

Количество

1

4229040M91

AXIAL PISTON PUMP

SN: 372020209

1шт.

|$62

AXIAL PISTON PUMP

-3шт.

1A

4241648M91

AXIAL PISTON PUMP

SN: 372020210-UP

1шт.

|$63

AXIAL PISTON PUMP

-3шт.

2

1444840X1

CLIP

4шт.

3

4700085X1

HOSE

1шт.

4

4229070M91

PIPE

1шт.

5

3004128X1

OLIVE

1шт.

6

3004123X1

BOXNUT

1шт.

7

4700367X1

STUD

1шт.

8

390734X1

PLAIN WASHER

3шт.

9

1443732X1

STUD BOLT

4шт.

10

4225538M1

PLAIN WASHER

4шт.

11

1444330X1

NUT

4шт.

12

4228832M92

PIPE

1шт.

13

1444848X1

O-RING

2шт.

14

4700525X1

SCREW

8шт.

15

4228714M1

BRACKET

1шт.

16

4240293M91

THERMOSTAT

1шт.

17

4700511X1

CLIP

2шт.

18

339402X1

NUT

4шт.

19

1444315X1

NUT

2шт.

20

NOT USED

-1шт.

21

1444132X1

SCREW

2шт.

22

4700226X91

HOSE ASSEMBLY

2шт.

23

4700523X1

HALF FLANGE

4шт.

24

4700495X1

STUD

3шт.

25

4700515X91

UNION

1шт.

26

4700509X91

HOSE ASSEMBLY

SN: 372020223

1шт.

26A

4700639X91

HOSE ASSEMBLY

SN: 372020224-UP

1шт.

27

4700310X91

TEE ASS'Y

1шт.

28

2994684M1

CLIP

3шт.

29

4228754M91

BRACKET

SN: 372020XXX

1шт.

29A

4229231M91

BRACKET

SN: 372020000-UP

1шт.

30

339282X1

SCREW

1шт.

31

2964056M1

DISC

4шт.

32

1443666X1

SCREW

2шт.

33

2994704M1

SPRING WASHER

2шт.

34

4700523X1

HALF FLANGE

4шт.

35

1444175X1

SCREW

8шт.

35A

4700525X1

SCREW

16шт.

36

1444849X1

O-RING

5шт.

37

4228834M92

PIPE

1шт.

38

4228837M91

PIPE

SN: 372020223

1шт.

38A

4229158M92

PIPE

SN: 372020224-UP

1шт.

39

4228839M91

PIPE

SN: 372020223

1шт.

39A

4229160M92

PIPE

SN: 372020224-UP

1шт.

40

1444315X1

NUT

1шт.

41

1444132X1

SCREW

1шт.

42

4700510X91

HOSE ASSEMBLY

SN: 372020223

1шт.

42A

4700640X91

HOSE ASSEMBLY

SN: 372020224-UP

1шт.

43

4228544M91

AXIAL PISTON ENGINE

1шт.

|$64

AXIAL PISTON ENGINE

-3шт.

44

1443666X1

SCREW

4шт.

45

2994703M1

SPRING WASHER

4шт.

46

339402X1

NUT

3шт.

47

339761X1

SCREW

1шт.

48

4700267X1

STUD

1шт.

49

4229062M91

PIPE

1шт.

50

2996367X1

CLIP

1шт.

51

390597X1

PLAIN WASHER

2шт.

52

2994684M1

HOLDING CLAMP

2шт.

53

339282X1

SCREW

1шт.

54

390734X1

PLAIN WASHER

1шт.

Выбрано товаров: 64