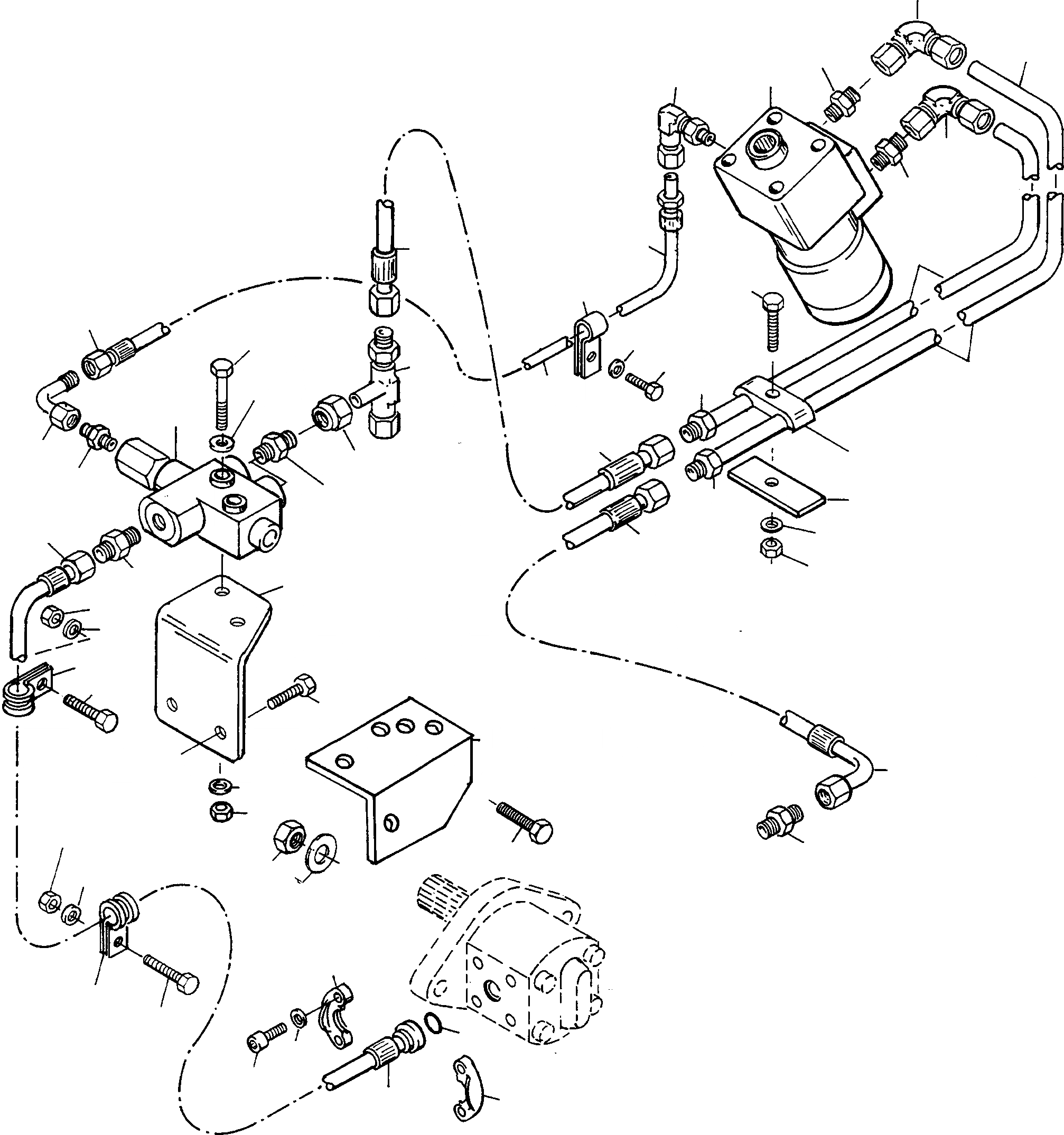
Запчасти Komatsu WA90-1 КЛАПАН РУЛЕВОГО УПРАВЛЕНИЯ, ТРУБЫS 7 РУЛЕВ. УПРАВЛЕНИЕ

Схема запчастей Komatsu WA90-1 - КЛАПАН РУЛЕВОГО УПРАВЛЕНИЯ, ТРУБЫS 7 РУЛЕВ. УПРАВЛЕНИЕ
16
2A
4
1A
7
20
8
4
9
41
2
18
40
3A
31
16
9
17
13
15
23
26
17
12
6
27
10
20
15
17
1
13
19
22
11
14
9
33
20
28
25
21
24
32
3
35
29
30
5
21
35
34
31
36
29
30
37
39
38
28
36
FIT
1:1
100%

Артикул

Название

Примечание

Количество

1

4228945M91

PRIORITY VALVE

SN: 372020208

1шт.

1A

4229166M91

PRIORITY VALVE

SN: 372020209-UP

1шт.

|$45

PRIORITY VALVE

-3шт.

2

4240236M91

STEERING UNIT

SN: 372020208

1шт.

|$46

STEERING UNIT

-3шт.

2A

4241520M91

STEERING UNIT

SN: 372020209-UP

1шт.

|$47

STEERING UNIT

-3шт.

3

4228970M1

BRACKET

SN: 372020223

1шт.

3A

4229145M1

BRACKET

SN: 372020224-UP

1шт.

4

2994669M1

DISC

2шт.

5

1440925X1

SCREW

SN: 372020223

2шт.

6

3002932X1

SCREW

2шт.

7

2993792X1

SPRING WASHER

1шт.

8

390679X1

NUT

2шт.

9

4700276X1

STUD

2шт.

10

4700309X91

UNION

1шт.

11

BOXNUT

1шт.

12

2993792X1

SPRING WASHER

1шт.

13

4700527X91

HOSE ASSEMBLY

1шт.

14

4700263X1

STUD

1шт.

15

4240524M91

TUBE

1шт.

16

4700286X91

ELBOW

4шт.

17

4700473X91

HOSE ASSEMBLY

1шт.

18

4700336X91

UNION

1шт.

19

4700284X91

ELBOW

1шт.

20

4240520M91

TUBE

1шт.

21

4700103X91

HOSE ASSEMBLY

1шт.

22

2891968M1

HOLDING CLAMP

2шт.

23

1444054X1

SCREW

1шт.

24

1444315X1

NUT

1шт.

25

2993680X1

LOCK WASHER

1шт.

26

2996367X1

CLIP

1шт.

27

339124X1

SCREW

2шт.

28

4700470X91

HOSE ASSEMBLY

1шт.

29

1431314M1

CLIP

3шт.

30

339282X1

SCREW

2шт.

31

390734X1

PLAIN WASHER

1шт.

32

4700713X1

STUD

1шт.

33

4240993M1

PLATE

4шт.

34

2995942X1

STUD

1шт.

35

339402X1

NUT

2шт.

36

1444835X1

HALF FLANGE

2шт.

37

1444848X1

O-RING

1шт.

38

1441436X1

SCREW

4шт.

39

2993680X1

LOCK WASHER

4шт.

40

3002831X1

SCREW

SN: 372020224-UP

1шт.

41

339079X1

NUT

SN: 372020224-UP

1шт.

Выбрано товаров: 47