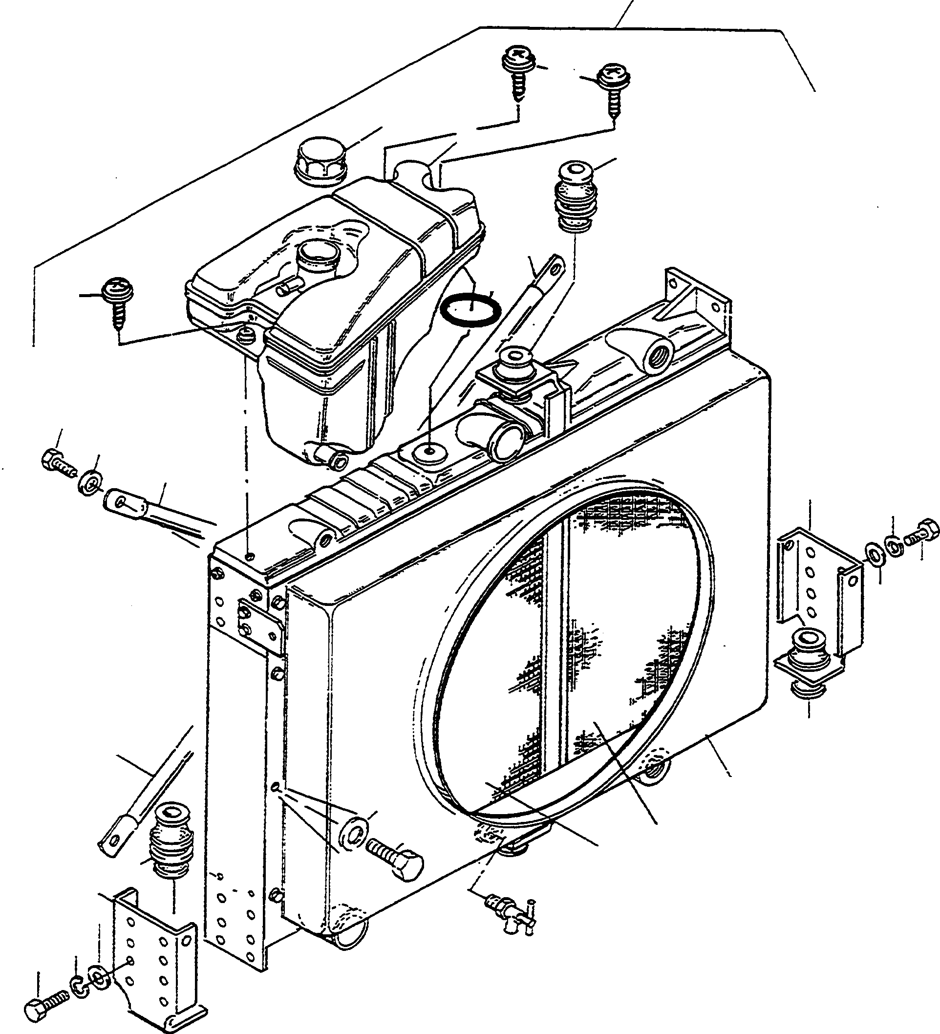
Запчасти Komatsu WA90-1S РАДИАТОР СИСТЕМА ОХЛАЖДЕНИЯ

Схема запчастей Komatsu WA90-1S - РАДИАТОР СИСТЕМА ОХЛАЖДЕНИЯ
1
17
17
5
4
6
13
18
15
14
13
12
9
10
8
6
13
16
14
15
3
2
6
11
8
7
9
10
FIT
1:1
100%

Артикул

Название

Примечание

Количество

1

4228702M91

COOLER

1шт.

2

4919363M91

WATER COOLER

1шт.

3

4919364M91

COOLER

1шт.

4

4917480M1

CONTAINER

1шт.

5

4919365M1

COVER

1шт.

6

4240659M1

BUFFER

3шт.

7

4919366M1

DRAIN COOK

1шт.

8

391039X1

PLAIN WASHER

4шт.

9

339374X1

SPRING WASHER

4шт.

10

339761X1

SCREW

4шт.

11

4919367M91

SIDE

1шт.

12

4919368M91

SIDE

1шт.

13

4919369M91

TIE ROD

1шт.

14

3001853X1

PLAIN WASHER

9шт.

15

1441914X1

SCREW

9шт.

16

4919370M91

FAN SHELL

1шт.

17

4917482M1

SCREW

3шт.

18

4917479M1

O-RING

1шт.

Выбрано товаров: 18