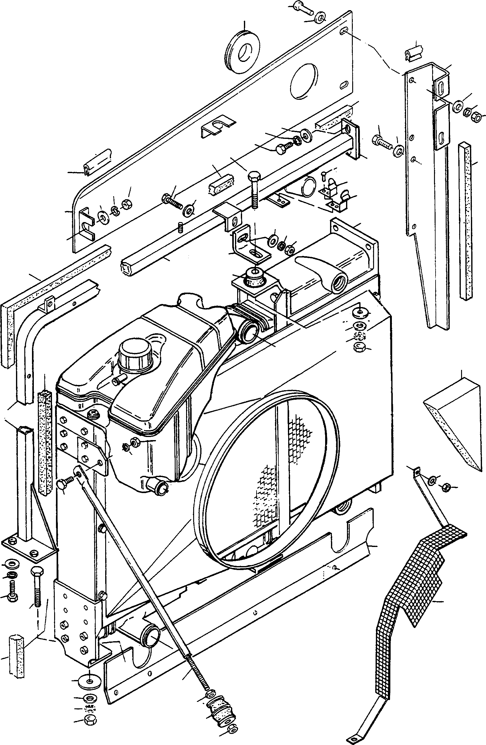
Запчасти Komatsu WA90-1S РАДИАТОР ATTACHING ЧАСТИ СИСТЕМА ОХЛАЖДЕНИЯ

Схема запчастей Komatsu WA90-1S - РАДИАТОР ATTACHING ЧАСТИ СИСТЕМА ОХЛАЖДЕНИЯ
24
29
11
8
26
25
22
26
21
27
28
31
8
26
7
6
12
21
2
30
3
20
6
5
28
27
14
4
26
19
14
1
7
11
15
2
21
10
13
14
7
23
16
2
11
7
33
34
6
18
7
6
32
12
17
10
13
9
14
11
7
10
11
11
FIT
1:1
100%

Артикул

Название

Примечание

Количество

1

4228702M91

COOLER

1шт.

|$35

COOLER

-3шт.

2

4228719M91

STIRRUP

1шт.

3

3068374M8

RIVET

2шт.

4

2885683M1

CLAMP

1шт.

5

2885684M1

CLAMP

1шт.

6

339401X1

SCREW

6шт.

7

2993680X1

LOCK WASHER

9шт.

8

390597X1

PLAIN WASHER

4шт.

9

4240691M91

STAND

1шт.

10

4240659M1

BUFFER

4шт.

11

339402X1

NUT

7шт.

12

1443664X1

SCREW

4шт.

13

2961957M1

DISC

6шт.

14

390734X1

PLAIN WASHER

4шт.

15

4228721M1

ANGLE

1шт.

16

4228877M1

GASKET

1шт.

17

4228879M1

GASKET

1шт.

18

4228876M1

GASKET

1шт.

19

4228739M91

COVERING

1шт.

20

2994750X1

PROFILE

1шт.

21

2996659M1

GASKET

1шт.

22

4228733M1

COVERING

1шт.

23

4228896M1

GASKET

1шт.

24

4228904M1

GASKET

1шт.

25

2994750X1

PROFILE

1шт.

26

391039X1

PLAIN WASHER

9шт.

27

2993792X1

SPRING WASHER

4шт.

28

339169X1

NUT

4шт.

29

339123X1

SCREW

2шт.

30

4228877M1

GASKET

1шт.

31

339761X1

SCREW

3шт.

32

4229128M91

PROTECTOR

1шт.

33

391039X1

PLAIN WASHER

1шт.

34

390679X1

NUT

1шт.

Выбрано товаров: 35