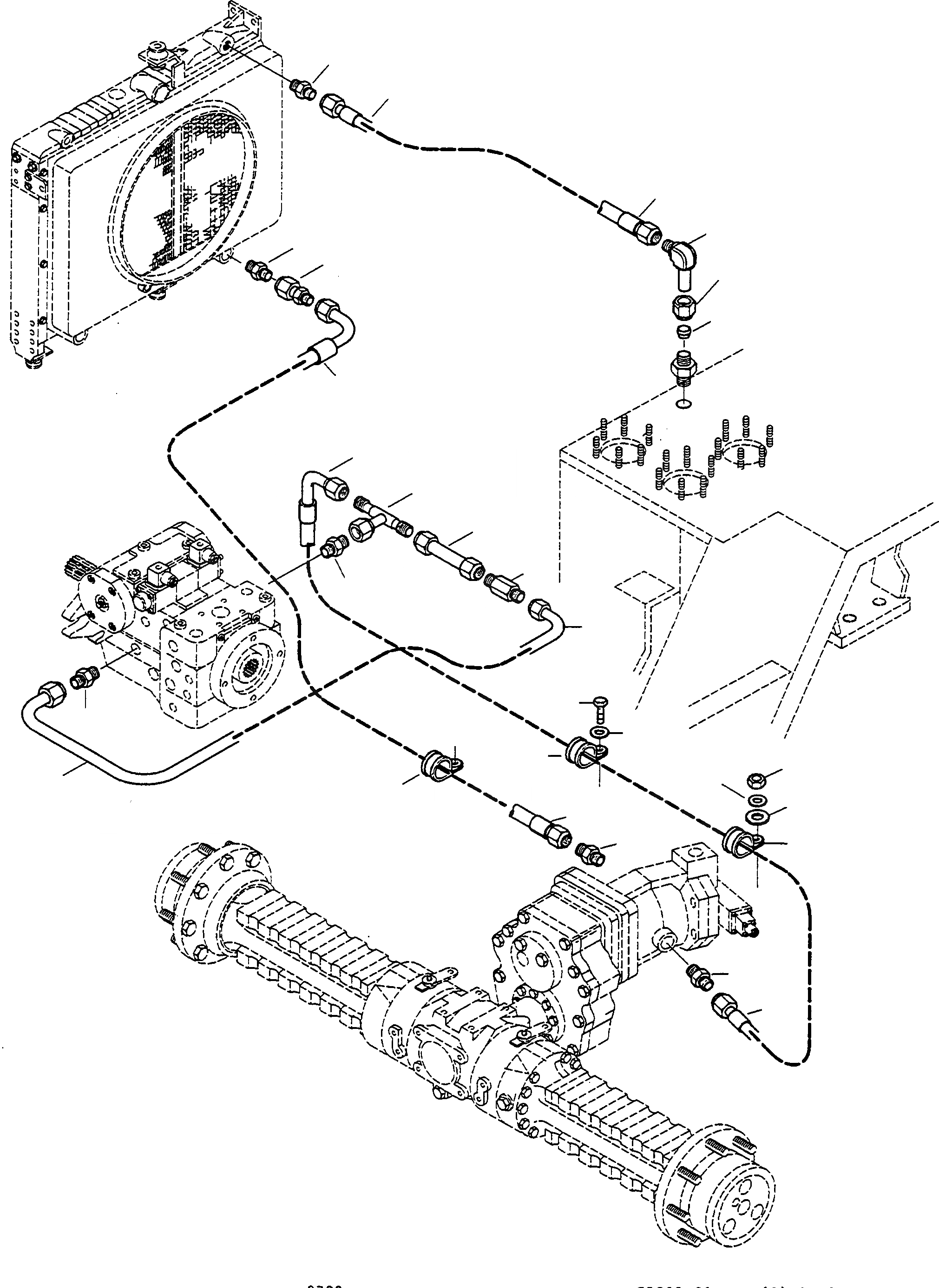
Запчасти Komatsu WA90-1S ГИДРАВЛ МАСЛ. ОХЛАЖД-Е СИСТЕМА ОХЛАЖДЕНИЯ

Схема запчастей Komatsu WA90-1S - ГИДРАВЛ МАСЛ. ОХЛАЖД-Е СИСТЕМА ОХЛАЖДЕНИЯ
1
2
2
3
1
13
4
5
12
8
7
10
11
6
14
16
9
17
15
19
17
14
15
18
12
9
15
9
8
FIT
1:1
100%

Артикул

Название

Примечание

Количество

1

4700269X1

STUD

2шт.

2

4700088X91

HOSE ASSEMBLY

1шт.

3

2995403X1

STUD

1шт.

4

1443838X1

BOXNUT

1шт.

5

1443842X1

OLIVE

1шт.

6

4700495X1

STUD

1шт.

7

4700297X91

UNION

1шт.

8

2995987X91

HOSE ASSEMBLY

1шт.

9

4700267X1

STUD

3шт.

10

4229179M91

PIPE

1шт.

11

4700625X91

CHECK VALVE

1шт.

12

4700624X91

HOSE ASSEMBLY

1шт.

13

4700384X91

REDUCER

1шт.

14

4229182M91

PIPE

1шт.

15

4700511X1

CLIP

3шт.

16

339282X1

SCREW

1шт.

17

390734X1

PLAIN WASHER

2шт.

18

2964056M1

DISC

1шт.

19

339402X1

NUT

1шт.

Выбрано товаров: 19