Запчасти Komatsu WA90-1S ГЕНЕРАТОР ЭЛЕКТРИЧ. СИСТЕМА

Схема запчастей Komatsu WA90-1S - ГЕНЕРАТОР ЭЛЕКТРИЧ. СИСТЕМА
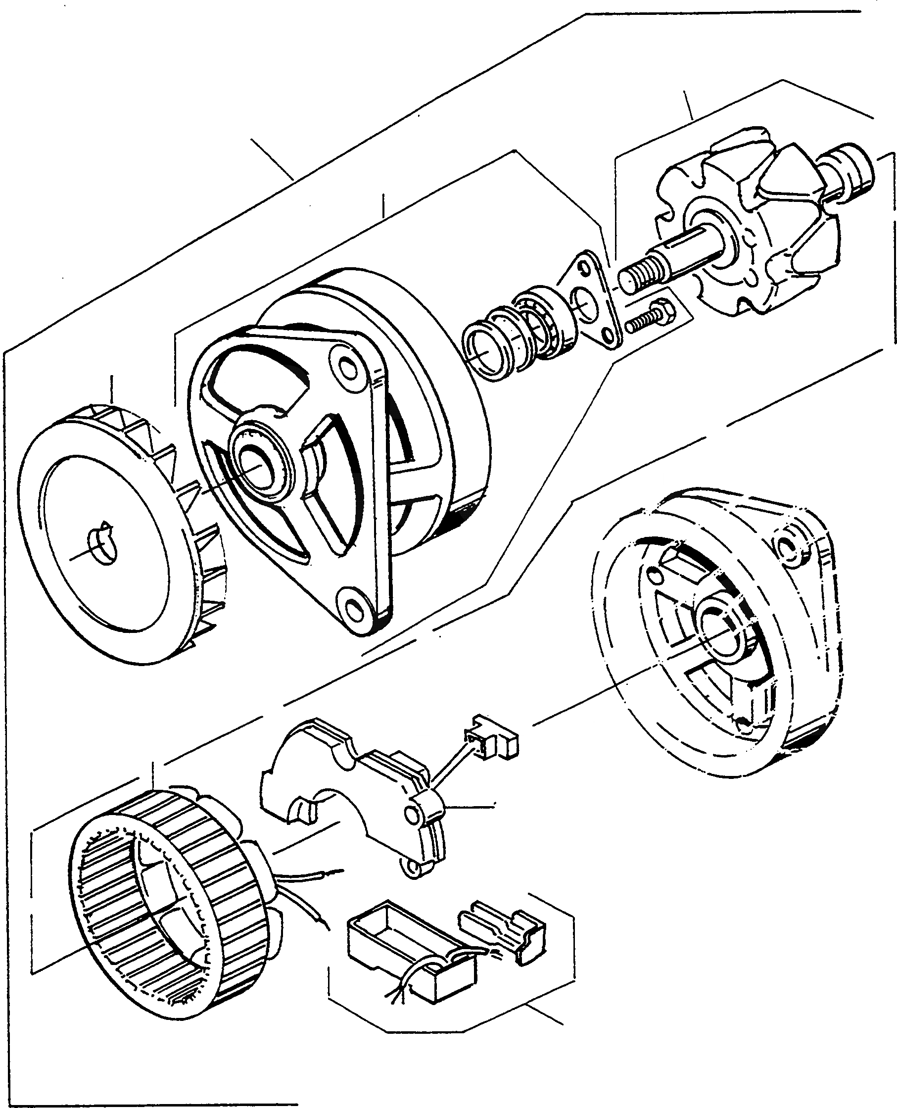
4
1
3
2
5
7
6
FIT
1:1
100%

Артикул

Название

Примечание

Количество

1

4917266M91

ALTERNATOR

1шт.

2

4917278M1

FAN

1шт.

3

4917283M91

BEARING HOUSING

1шт.

4

4917280M91

ROTOR

1шт.

5

4917281M91

STATOR

1шт.

6

4917282M91

CONTROLLER

1шт.

7

4917279M91

RECTIFIER KIT

1шт.

Выбрано товаров: 7