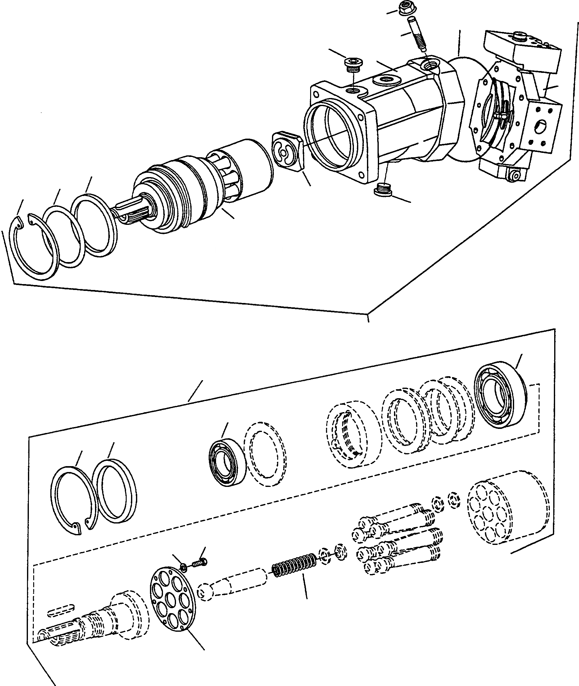
Запчасти Komatsu WA90-1S AXIAL ПОРШЕНЬ ДВИГАТЕЛЬ ТРАНСМИССИЯ, КРЕСТОВИНА

Схема запчастей Komatsu WA90-1S - AXIAL ПОРШЕНЬ ДВИГАТЕЛЬ ТРАНСМИССИЯ, КРЕСТОВИНА
5
12
6
4
3
2
11
10
9
8
4
7
1
16
7
15
14
13
17
18
19
20
FIT
1:1
100%

Артикул

Название

Примечание

Количество

1

4229235M91

AXIAL PISTON ENGINE

1шт.

2

4919863M91

VARIATOR

1шт.

|$21

VARIATOR

-3шт.

3

HOUSING

1шт.

4

4919864M1

PLUG

2шт.

5

4918332M1

NUT

2шт.

6

4919865M1

GRUB SCREW

2шт.

7

4919866M91

TRANSMISSION

1шт.

8

4919876M1

LENS

1шт.

9

339437X1

CIRCLIP

1шт.

10

1444378X1

SHIM

1шт.

11

4919867M1

SEAL

1шт.

12

4919868M1

O-RING

1шт.

13

390456X1

CIRCLIP

1шт.

14

4919869M1

DISC

1шт.

15

3001419X1

BEARING

1шт.

16

4919871M1

BEARING

1шт.

17

4919872M1

SCREW

14шт.

18

4919873M1

SEAL

14шт.

19

4919874M1

SPRING

1шт.

20

4919875M1

PLATE

1шт.

Выбрано товаров: 21