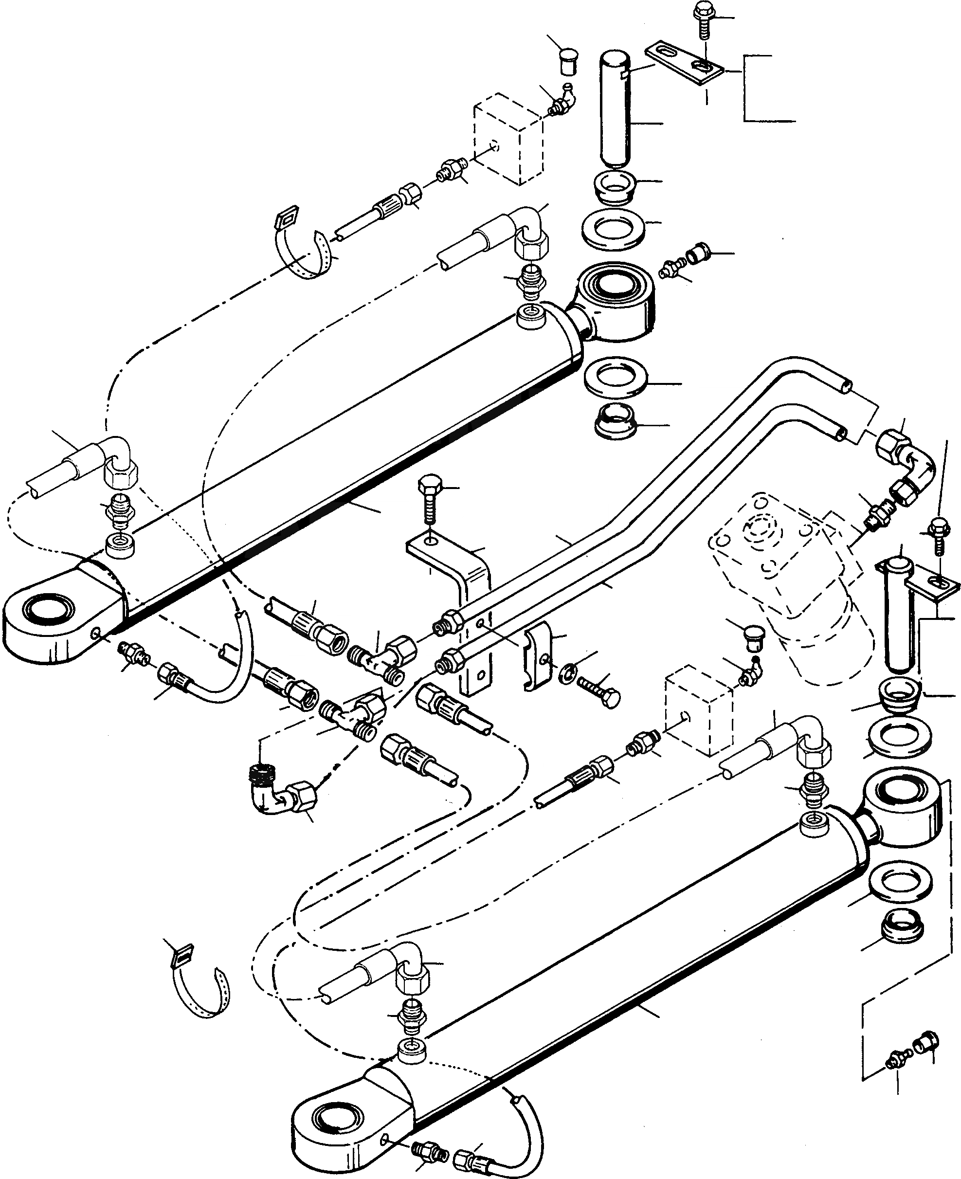
Запчасти Komatsu WA90-1S ЦИЛИНДР РУЛЕВ. УПР-Я И ТРУБЫS 7 РУЛЕВ. УПРАВЛЕНИЕ

Схема запчастей Komatsu WA90-1S - ЦИЛИНДР РУЛЕВ. УПР-Я И ТРУБЫS 7 РУЛЕВ. УПРАВЛЕНИЕ
14
19A
19A
4
4
24
13
3
19
12
15
11
20
21
16
4
22
25
18
16
6
26
15
14
5
23
25
17
2
12
7
11
1
4
28
8
13
10
3
19
9
20
11
21
15
26
27
16
20
25
29
16
22
15
26
25
17
18
24
20
FIT
1:1
100%

Артикул

Название

Примечание

Количество

1

4240518M91

TUBE

1шт.

2

4240516M91

TUBE

1шт.

3

391335X1

LUBRICATION NIPPLE

1шт.

4

4002162M1

SECURITY CAP

2шт.

5

4700276X1

STUD

2шт.

6

4700286X91

ELBOW

2шт.

7

4240992M91

BRACKET

1шт.

8

2891968M1

HOLDING CLAMP

2шт.

9

390799X1

SCREW

1шт.

10

2993793X1

SPRING WASHER

1шт.

11

4700225X91

HOSE ASSEMBLY

2шт.

12

4242009M1

PIN

4шт.

13

2950005M1

AXLE HOLDER

2шт.

14

1444133X1

SCREW

4шт.

15

4240245M1

RING

4шт.

16

2994786M1

SEAL

4шт.

17

4501038M91

STEERING CYLINDER

2шт.

|$31

STEERING CYLINDER

-3шт.

18

339608X1

LUBRICATION NIPPLE

1шт.

19

2951971M91

AXLE HOLDER

1шт.

19A

2951972M91

AXLE HOLDER

1шт.

20

3002335X91

UNION

2шт.

21

4700541X91

HOSE ASSEMBLY

1шт.

22

2999878M1

BRACE

3шт.

23

390799X1

SCREW

1шт.

24

4700542X91

HOSE ASSEMBLY

1шт.

25

390799X1

SCREW

1шт.

26

2993793X1

SPRING WASHER

1шт.

27

4700296X91

UNION

1шт.

28

4700296X91

UNION

1шт.

29

4700286X91

ELBOW

1шт.

Выбрано товаров: 31