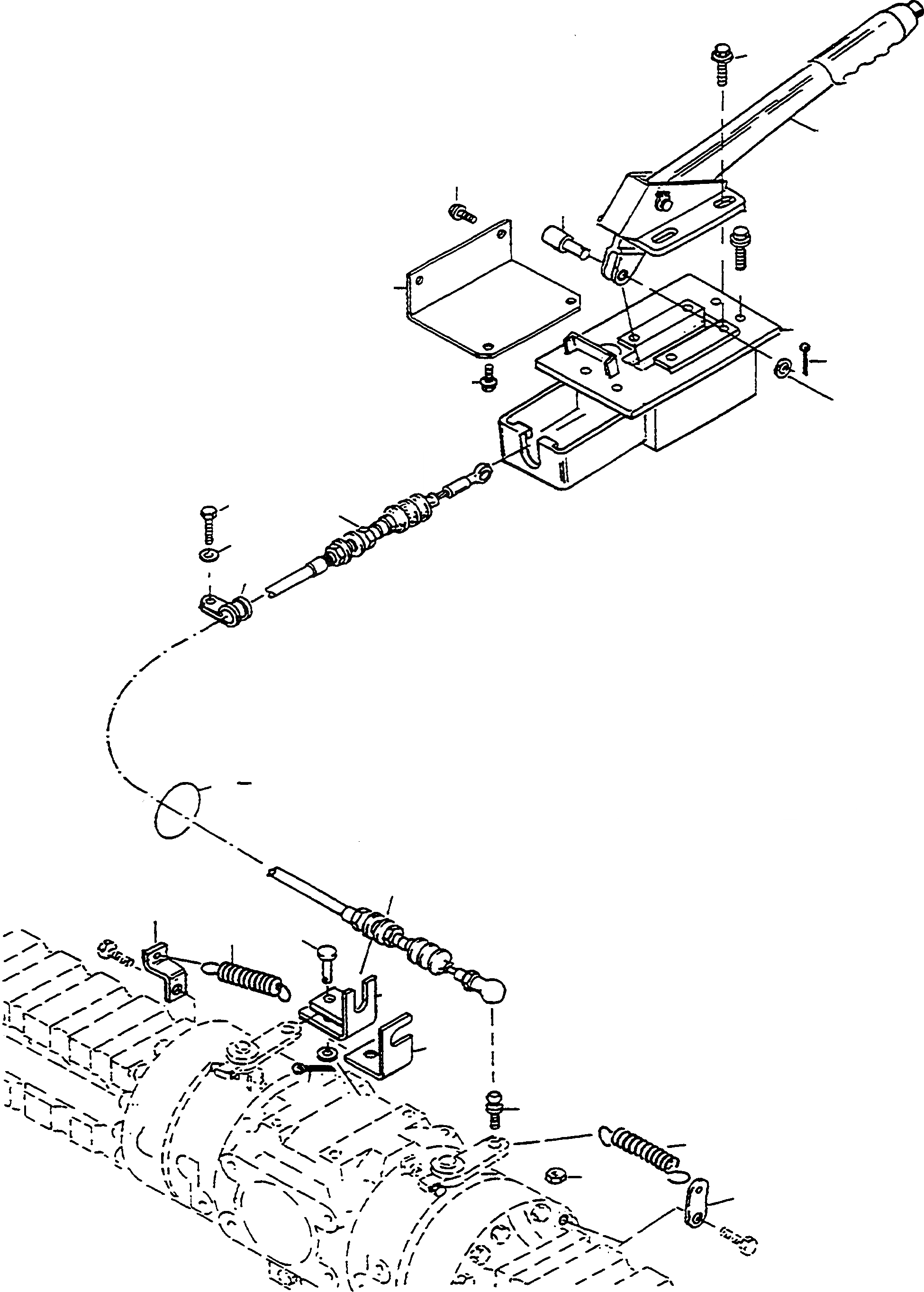
Запчасти Komatsu WA90-1S HAND ТОРМОЗ. И OPERATING ASSEMBLY 9 ТОРМОЗ. СИСТЕМА

Схема запчастей Komatsu WA90-1S - HAND ТОРМОЗ. И OPERATING ASSEMBLY 9 ТОРМОЗ. СИСТЕМА
4
1
14
2
8
8
2
7
3
6
5
12
9
11
10
10
12
9
19
13
18
15
17
16
20
18
21
22
FIT
1:1
100%

Артикул

Название

Примечание

Количество

1

4240430M91

BRAKE LEVER

1шт.

2

391357X1

SCREW

8шт.

3

4240466M91

BED BRACKET

1шт.

4

4240459M1

PIN

1шт.

5

390972X1

PLAIN WASHER

1шт.

6

390511X1

COTTER

1шт.

7

4240432M1

COVERING

1шт.

8

1444144X1

SCREW

4шт.

9

4241106M91

BOWDEN CABLE

1шт.

10

1444653X1

CLIP

2шт.

11

2993797X1

SPRING WASHER

2шт.

12

391074X1

SCREW

2шт.

13

2995838X1

PIN

1шт.

14

4242090M91

ABUTMENT

1шт.

15

4240972M1

BRACKET

1шт.

16

339424X1

DISC

1шт.

17

3002180X1

COTTER

1шт.

18

4101826M1

TENSION SPRING

2шт.

19

4228707M1

BRACKET

1шт.

20

1444501X1

BALL PIVOT

1шт.

21

1444309X1

NUT

1шт.

22

4228789M1

STRAP

1шт.

Выбрано товаров: 22