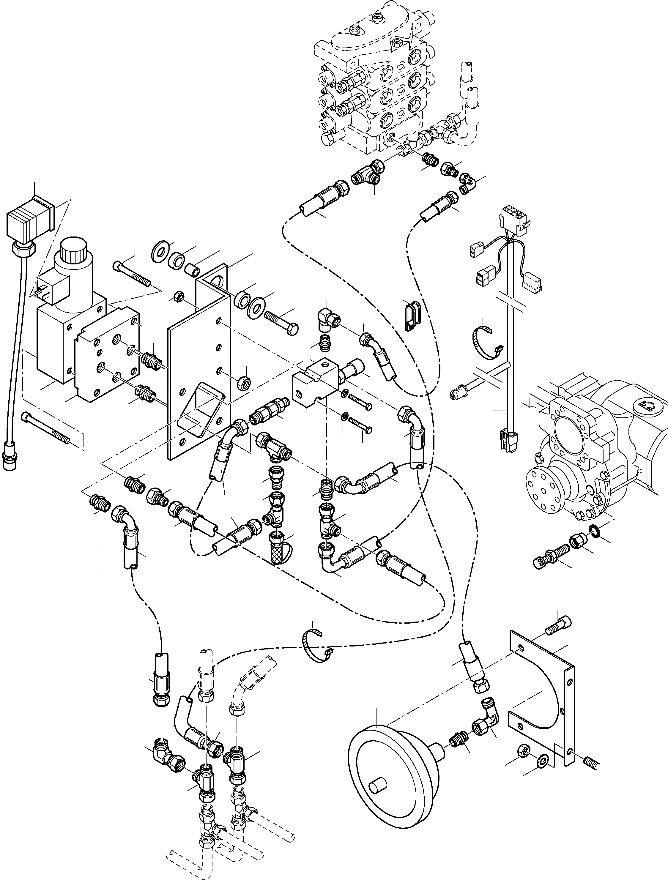
Запчасти Komatsu WA90-3 A.L.S. ОБОРУД-Е ОБОРУД-Е

Схема запчастей Komatsu WA90-3 - A.L.S. ОБОРУД-Е ОБОРУД-Е
50
52
35
36
18
7
19
17
27
20
26
15
12
14
1
3
13
15
22
23
16
11
57
20
46
21
4
8
5
2
56
33
31
10
47
34
9
6
30
29
45
24
32
25
49
37
28
53
50
54
55
28
26
42
58
38
45
41
47
44
51
48
43
40
39
FIT
1:1
100%

Артикул

Название

Примечание

Количество

1

42U-62-13B10

BRACKET

1шт.

2

42U-62-13A90

PLATE

1шт.

3

01252-71040

SCREW

4шт.

4

01580-11008

NUT

4шт.

5

42U-62-13060

VALVE

1шт.

|$59

VALVE

-3шт.

6

01252-70640

SCREW

4шт.

7

42W-06-12130

CABLE

1шт.

8

42U-62-13250

PRESSURE LIMIT.VALVE

1шт.

9

42Y-00-H3290

SCREW

2шт.

10

01642-20608

PLAIN WASHER

2шт.

11

01580-10605

NUT

2шт.

12

419-43-17930

BUFFER

2шт.

13

415-64-13130

BUFFER

2шт.

14

417-54-13470

DISTANCE PIECE

2шт.

15

419-43-17920

DISC

4шт.

16

01016-51250

SCREW

2шт.

17

42Y-00-H1460

STUD

1шт.

18

42Y-00-H1780

REDUCER

1шт.

19

421-00-H0230

ELBOW

1шт.

20

42W-09-H1150

HOSE ASSEMBLY

1шт.

21

42Y-00-H1530

STUD

1шт.

22

421-00-H0230

ELBOW

1шт.

23

04435-51610

CLIP

1шт.

24

42Y-00-H1530

STUD

1шт.

25

421-00-H0480

UNION

1шт.

26

42W-09-H1380

HOSE ASSEMBLY

1шт.

27

421-00-H0480

UNION

1шт.

28

42W-09-H1170

HOSE ASSEMBLY

1шт.

29

42Y-00-H1780

REDUCER

1шт.

30

42Y-00-H1460

STUD

1шт.

31

424-00-H0250

CHECK VALVE

1шт.

32

42W-09-H1140

HOSE ASSEMBLY

1шт.

33

42Y-00-H1460

STUD

1шт.

34

421-00-H0440

UNION

1шт.

35

42Y-00-H1780

REDUCER

1шт.

36

421-00-H0480

UNION

1шт.

37

42U-09-H0910

CHECK PORT

1шт.

38

42U-62-13B20

BRACKET

1шт.

39

421-06-H3260

PLAIN WASHER

2шт.

40

01580-11008

NUT

2шт.

41

42W-62-13160

PRESSURE TANK

1шт.

42

01010-80816

SCREW

3шт.

43

42Y-00-H1460

STUD

1шт.

44

424-00-H0420

ELBOW

1шт.

45

42W-09-H1120

HOSE ASSEMBLY

1шт.

46

42Y-00-H1460

STUD

1шт.

47

42Y-00-H1390

HOSE ASSEMBLY

1шт.

48

421-00-H0440

UNION

1шт.

49

42Y-00-H1460

STUD

1шт.

50

42W-09-H1130

HOSE ASSEMBLY

1шт.

51

424-00-H0420

ELBOW

1шт.

52

421-00-H0440

UNION

1шт.

53

42U-09-H2580

SEAL

1шт.

54

42U-06-15160

ADAPTOR

1шт.

55

7861-92-2330

SENDER

1шт.

56

42U-06-12500

CABLE

1шт.

57

08034-20834

BAND

5шт.

58

421-00-H0260

BRACE

10шт.

Выбрано товаров: 59