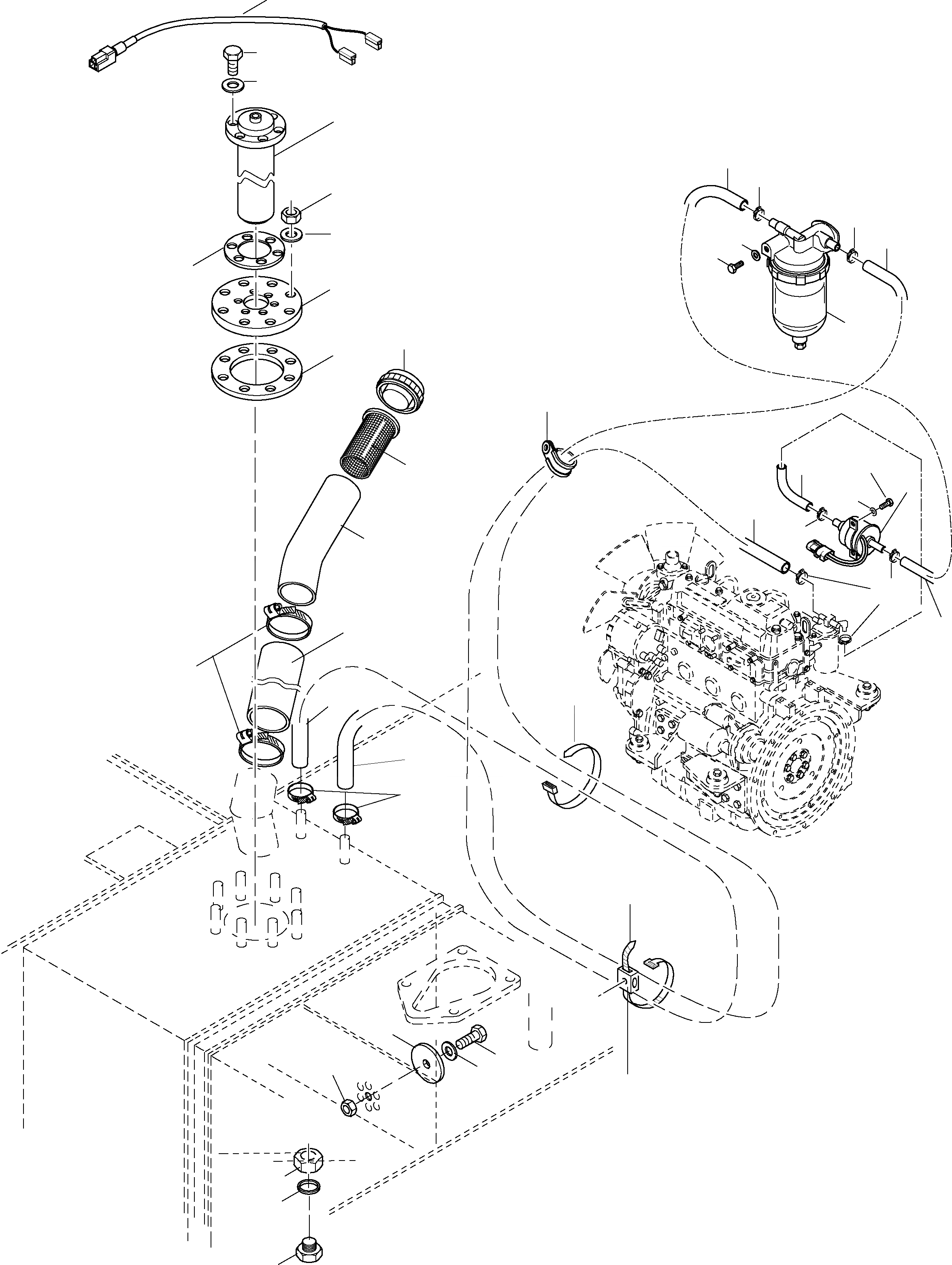
Запчасти Komatsu WA90-3 ТОПЛИВН. СИСТЕМА, PRE ФИЛЬТР., WA9 -ДВИГАТЕЛЬ, КРЕПЛЕНИЕ ДВИГАТЕЛЯ

Схема запчастей Komatsu WA90-3 - ТОПЛИВН. СИСТЕМА, PRE ФИЛЬТР., WA9 - ДВИГАТЕЛЬ, КРЕПЛЕНИЕ ДВИГАТЕЛЯ
5A
5B
3
4
5
27
17
6
17
18
23
7
22
8
25
1
9
19
28
35
2
26
36
31
29
32
29
34
27
33
21
18
31
17
24
12
13
10
11
20
16
15
14
FIT
1:1
100%

Артикул

Название

Примечание

Количество

1

42Y-04-H1080

COVER

1шт.

2

42Y-04-H1070

STRAINER

1шт.

3

01252-70616

SCREW

6шт.

4

423-00-H2210

LOCK WASHER

6шт.

5

42U-04-11150

SENDER

1шт.

5A

42U-06-12540

CABLE

1шт.

5B

42U-04-H0P00

GASKET

1шт.

6

42Y-00-H2350

NUT

8шт.

7

01642-21016

PLAIN WASHER

8шт.

8

42U-04-11A10

FLANGE

1шт.

9

42Y-04-H1A60

GASKET

1шт.

10

42Y-00-H2340

SCREW

1шт.

11

423-00-H1200

PLAIN WASHER

1шт.

12

42Y-04-H1060

DISC

1шт.

13

01580-10504

NUT

1шт.

14

423-00-H0740

PLUG

1шт.

15

423-00-H0760

SEAL

1шт.

16

423-00-H0750

NUT

1шт.

17

07281-00167

CLIP

4шт.

18

419-00-H0720

HOSE

1шт.

19

175-01-23160

CLIP

1шт.

20

42W-09-H0590

BRACKET

3шт.

21

08034-20519

BAND

5шт.

22

01010-80870

SCREW

1шт.

23

01643-50823

DISC

1шт.

24

08034-20834

BAND

3шт.

25

YM119802-55700

PRE FILTER

1шт.

|$39

PRE FILTER

-3шт.

26

YM129612-52100

FUEL PUMP

1шт.

|$40

FUEL PUMP

-3шт.

27

419-00-H0720

HOSE

1шт.

28

419-00-H0720

HOSE

1шт.

29

07281-00167

CLIP

4шт.

30

NOT USED

-1шт.

31

419-00-H0720

HOSE

1шт.

32

42W-04-12110

STUD

1шт.

33

424-00-H1140

CLIP

2шт.

34

42U-09-H1910

HOSE

1шт.

35

01010-80612

SCREW

2шт.

36

01643-30623

PLAIN WASHER

2шт.

Выбрано товаров: 0