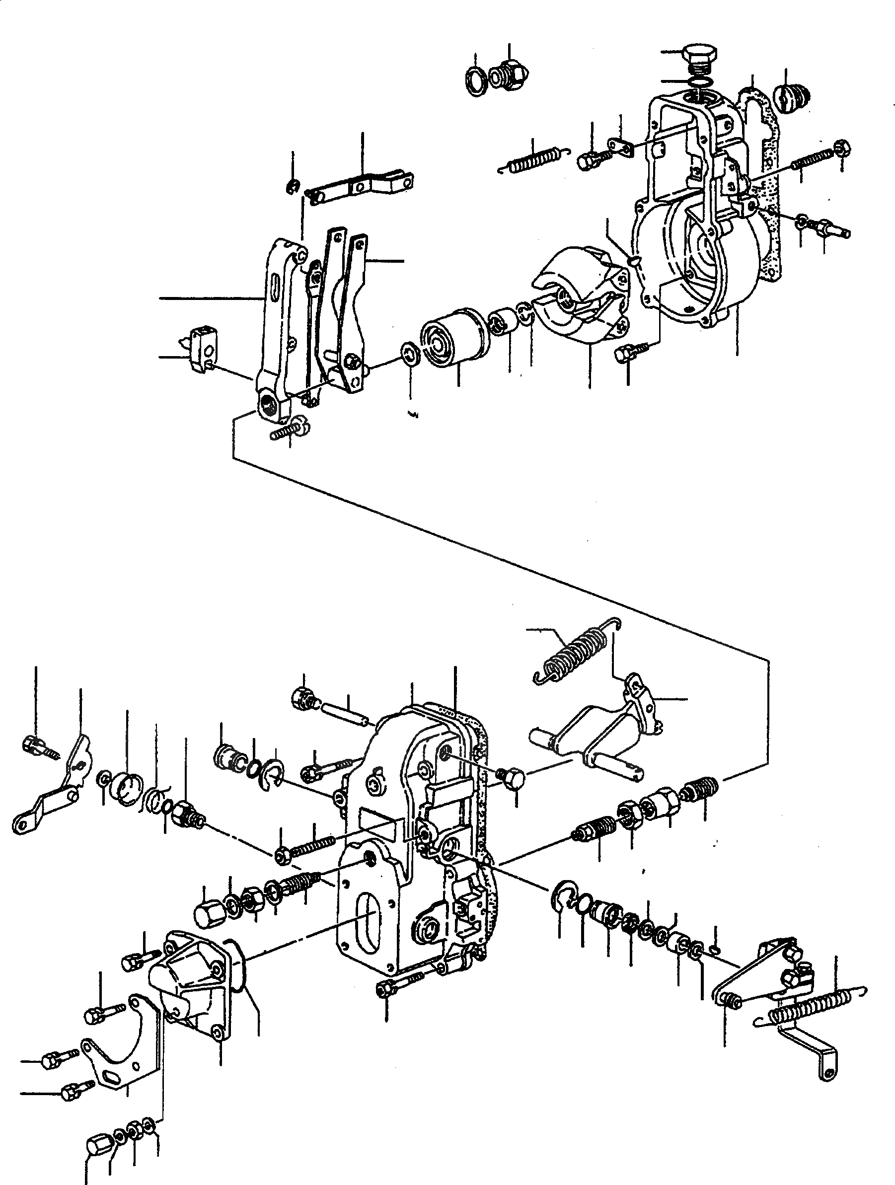
Запчасти Komatsu WA90-3 ТОПЛ. НАСОС, РЕГУЛЯТОР ДВИГАТЕЛЬ, КРЕПЛЕНИЕ ДВИГАТЕЛЯ

Схема запчастей Komatsu WA90-3 - ТОПЛ. НАСОС, РЕГУЛЯТОР ДВИГАТЕЛЬ, КРЕПЛЕНИЕ ДВИГАТЕЛЯ
21
85
42
4
5
79
3
7
6
61
60
32
40
62
30
29
10
64
47
47A
9
48A
28
54
55
52
58
12
65
11
68
14
52
45
46
63
43
26
73
78
82
71
2
8
31
27
15
41
67
80
17
13
66
70
49
56
72
51
18
19
10
17
1
69
48
46
86
57
44
25
51
50
53
59
20
81
24
22
23
84
16
82
83
FIT
1:1
100%

Артикул

Название

Примечание

Количество

1

NOT USED

-1шт.

2

YMX1540006400

HOUSING

1шт.

3

YMX0296325070

O-RING

1шт.

4

YMX1540072900

SCREW

1шт.

5

YMX1540070200

ADAPTOR

1шт.

6

YMX0200181840

SCREW

1шт.

7

YMX1543501900

BRACKET

1шт.

8

YMX0290106810

SCREW

6шт.

9

YMX1540100200

GRUB SCREW

1шт.

10

YMX1540110100

NUT

2шт.

11

YMX1540132320

SCREW

1шт.

12

YMX0141108440

SPRING WASHER

1шт.

13

YMX1545001020

HOUSING

1шт.

14

YMX1543210400

BUSHING

1шт.

15

YMX1540313000

SCREW

1шт.

16

YMX1392060600

NUT

1шт.

17

YMX1540360300

SCREW

2шт.

18

YMX0201065040

SCREW

2шт.

19

YMX1540100200

GRUB SCREW

1шт.

20

YMX0201063840

SCREW

4шт.

21

YMX1530205220

LIMITER

1шт.

22

YMX1540635100

COVER

1шт.

23

YMX0290206260

SCREW

1шт.

24

YMX0290206260

SCREW

1шт.

25

YMX0200062040

SCREW

1шт.

26

YMX0200061640

SCREW

1шт.

27

YMX1541010020

WEIGHT

1шт.

28

YMX0258031610

WOODRUFF KEY

1шт.

29

YMX0293212020

SPRING WASHER

1шт.

30

YMX0292312030

NUT

1шт.

31

YMX1541230120

THIMBLE

1шт.

32

YMX0293110010

DISC

1шт.

33

YMX0293110180

DISC

1шт.

34

YMX0293110190

DISC

1шт.

35

YMX0293110210

DISC

1шт.

36

YMX1394100000

DISC

1шт.

37

YMX1394100100

DISC

1шт.

38

YMX1394103000

DISC

1шт.

39

YMX1394103100

DISC

1шт.

40

YMX1394103200

DISC

1шт.

41

YMX1541502900

SPRING

1шт.

42

YMX1541540701

SPRING

1шт.

43

YMX1541580920

SETSCREW

1шт.

44

YMX1540111700

NUT

1шт.

45

YMX0265121540

SEAL

2шт.

46

YMX1541591200

CAP

1шт.

47

YMX1541771520

SPRING HOUSING

1шт.

47A

YMX1541774820

SPRING HOUSING

1шт.

48

NOT USED

-1шт.

48A

YMX0292016010

NUT

1шт.

49

YMX1542006920

LEVER

1шт.

50

YMX1542043000

BUSHING

1шт.

51

YMX0296318020

O-RING

2шт.

52

YMX0160101640

CIRCLIP

2шт.

53

YMX1396110000

SEAL

1шт.

54

YMX1394110000

DISC

1шт.

55

YMX0293111070

DISC

1шт.

56

YMX1542043100

BUSHING

1шт.

57

YMX0258031310

WOODRUFF KEY

1шт.

58

YMX1542062800

RING

1шт.

59

YMX1542060200

LOCK WASHER

1шт.

60

YMX1542163820

LEVER

1шт.

61

YMX1542303920

LEVER

1шт.

62

YMX0160100540

CIRCLIP

1шт.

63

YMX1542364100

LEVER

1шт.

64

YMX1542370100

PEG

1шт.

65

YMX1543963120

LEVER

1шт.

66

YMX1543827920

LEVER

1шт.

67

YMX0200061640

SCREW

1шт.

68

YMX1543142600

SPRING

1шт.

69

YMX0296310030

O-RING

1шт.

70

YMX1543220100

CAP

1шт.

71

YMX1543265020

LEVER

1шт.

72

YMX1543277400

SPRING

1шт.

73

YMX0293110520

DISC

1шт.

74

YMX0293110530

DISC

1шт.

75

YMX0293110540

DISC

1шт.

76

YMX0293110550

DISC

1шт.

77

YMX0293110560

DISC

1шт.

78

YMX0293110570

DISC

1шт.

79

YMX1543507700

GASKET

1шт.

80

YMX1543507800

GASKET

1шт.

81

YMX0296352020

O-RING

1шт.

82

YMX0265061040

GASKET

2шт.

83

YMX1540351600

CAP

1шт.

84

YMX1543587200

BRACKET

1шт.

85

YMX0265182240

SEAL

1шт.

86

NOT USED

-1шт.

Выбрано товаров: 88