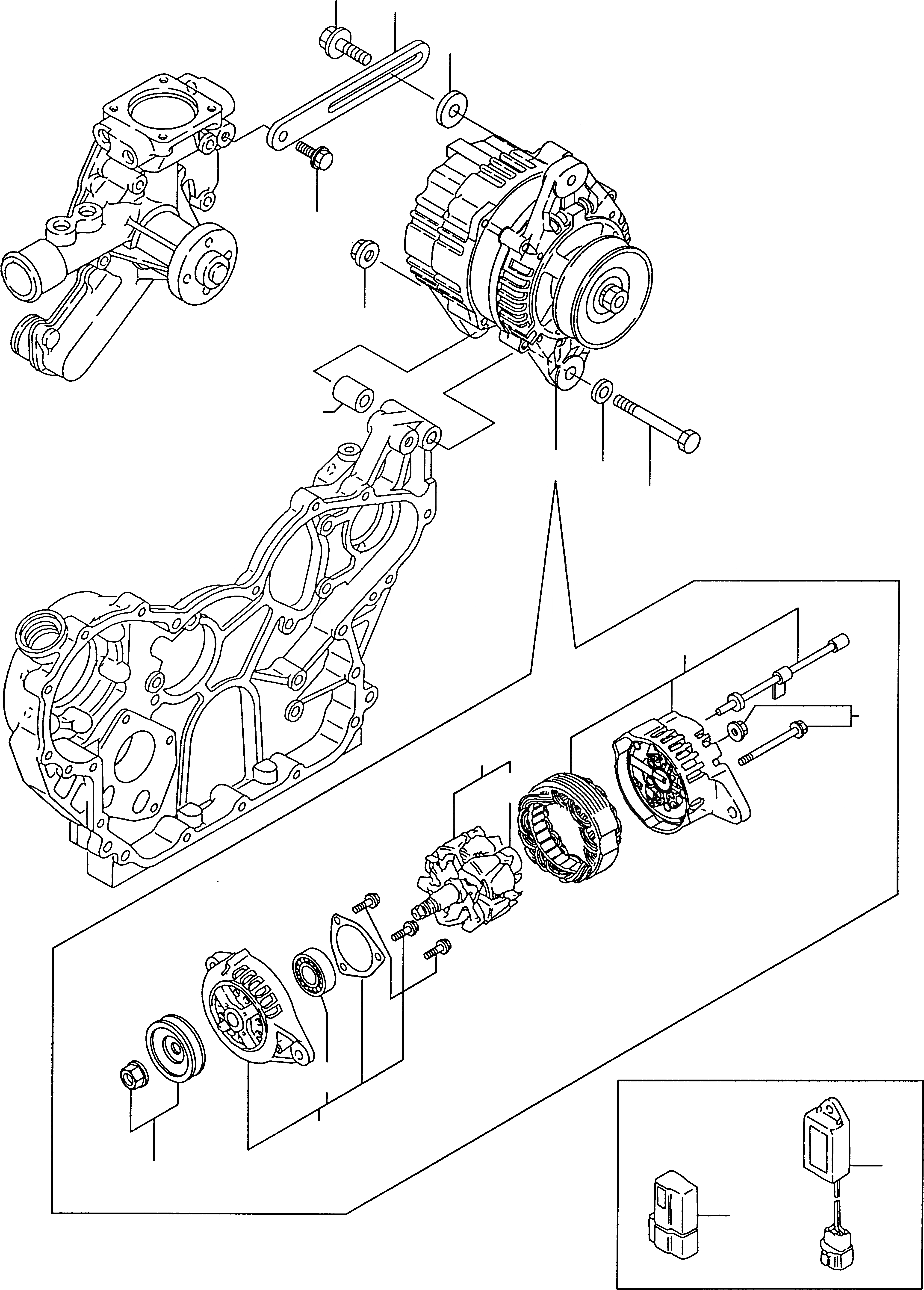
Запчасти Komatsu WA90-3 ГЕНЕРАТОР ЭЛЕКТРИЧ. СИСТЕМА

Схема запчастей Komatsu WA90-3 - ГЕНЕРАТОР ЭЛЕКТРИЧ. СИСТЕМА
16
6
14
15
17
13
10
1
11
12
4
9
2
3
5
19
8
18
FIT
1:1
100%

Артикул

Название

Примечание

Количество

1

YM123910-77210

ALTERNATOR

1шт.

2

YM123910-77740

ROTOR ASSEMBLY

1шт.

3

YM129900-77810

BALL BEARING

1шт.

4

YM123910-77760

SPOOL & HOUSING

1шт.

5

YM129900-77890

HOUSING ASSEMBLY

1шт.

6

YM129900-77900

BALL BEARING

1шт.

7

NOT USED

-1шт.

8

YM123910-77910

PULLEY

1шт.

9

YM129900-77920

BOLT KIT

1шт.

10

YM123900-77340

DISTANCE PIECE

1шт.

11

YM22137-100000

PLAIN WASHER

1шт.

12

YM26116-101202

SCREW

1шт.

13

YM26366-100002

NUT

1шт.

14

YM123900-77330

BRACKET

1шт.

15

YM121236-77340

DISTANCE PIECE

1шт.

16

YM119810-77340

SCREW

1шт.

17

YM26014-080252

SCREW

1шт.

18

YM119643-66900

DIODE

1шт.

19

YM119632-77920

TIME SWITCH

1шт.

Выбрано товаров: 19