Запчасти Komatsu WA90-3 STARTERМОТОР ЭЛЕКТРИЧ. СИСТЕМА

Схема запчастей Komatsu WA90-3 - STARTERМОТОР ЭЛЕКТРИЧ. СИСТЕМА
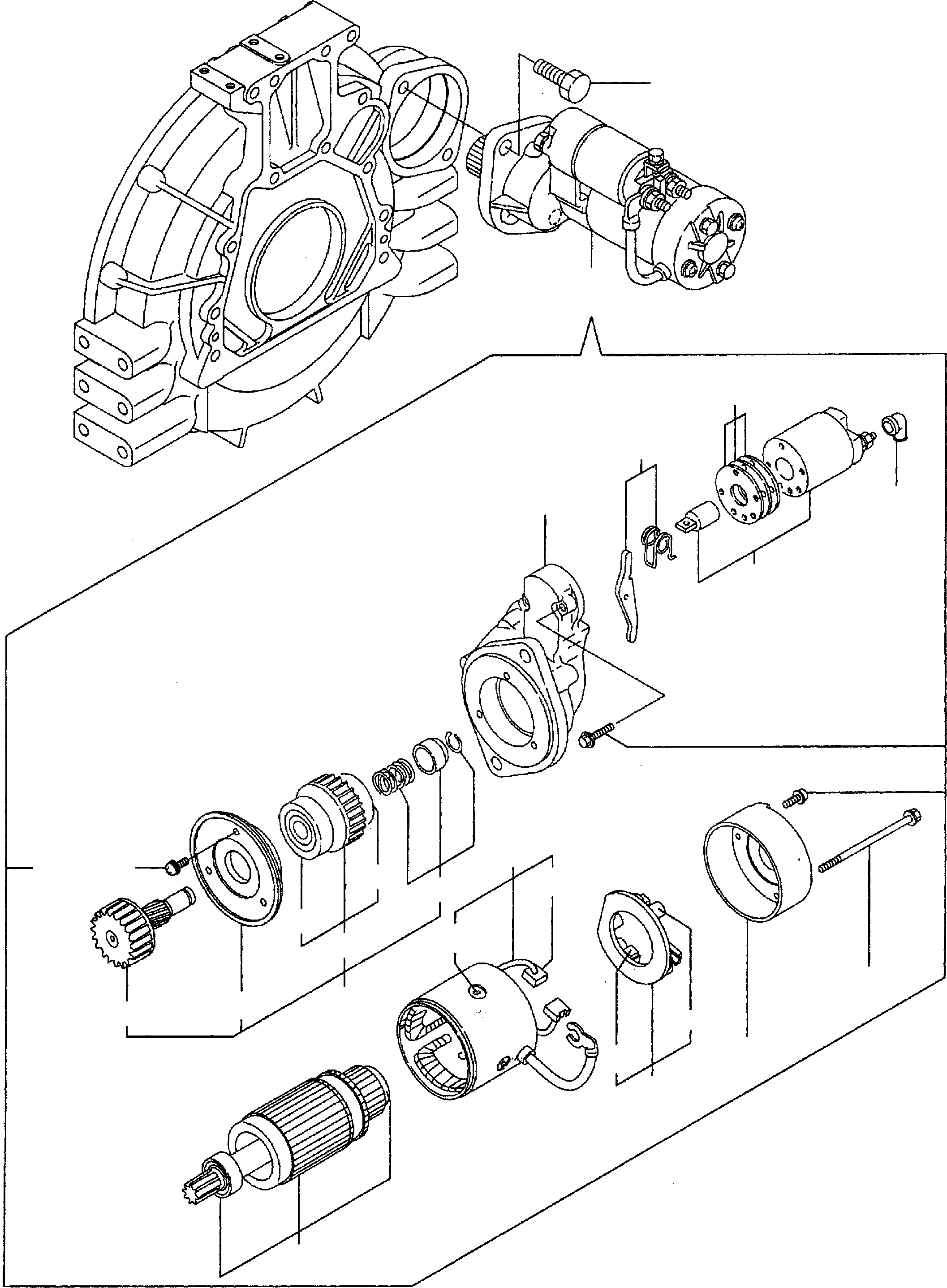
8A
22
1
19
17
21
20
16
3
12
4
14
11
5
10
18
9
15
13
6
8
7
2
FIT
1:1
100%

Артикул

Название

Примечание

Количество

1

YM123900-77010

STARTERMOTOR

1шт.

2

YM123900-77400

ANCHOR

1шт.

3

YM123900-77440

FIELD COIL ASSEMBLY

1шт.

4

YM123900-77450

BRUSH

2шт.

5

YM171008-77450

SCREW

4шт.

6

YM123900-77460

COVER

1шт.

7

YM123900-77480

HOUSING

1шт.

8

YM123900-77450

BRUSH

2шт.

8A

YM121254-77590

SPRING

4шт.

9

YM123900-77510

DRIVE

1шт.

10

YM123900-77520

COUPLING/CLUTCH

1шт.

11

YMX2240610100

BEARING

1шт.

12

YMX2240610100

BEARING

1шт.

13

YM123900-77540

DRIVE PINION

1шт.

14

YM119131-77550

STOP

1шт.

15

YM123900-77610

COVER

1шт.

16

YM129900-77590

SOLENOID SWITCH

1шт.

17

YM129900-77620

LEVER

1шт.

18

YM123900-77640

SCREW

2шт.

19

YM123900-77650

DUST COVER

1шт.

20

YM123900-77710

HOUSING

1шт.

21

YM171008-77750

SECURITY CAP

1шт.

22

YM26116-120302

SCREW

2шт.

Выбрано товаров: 23