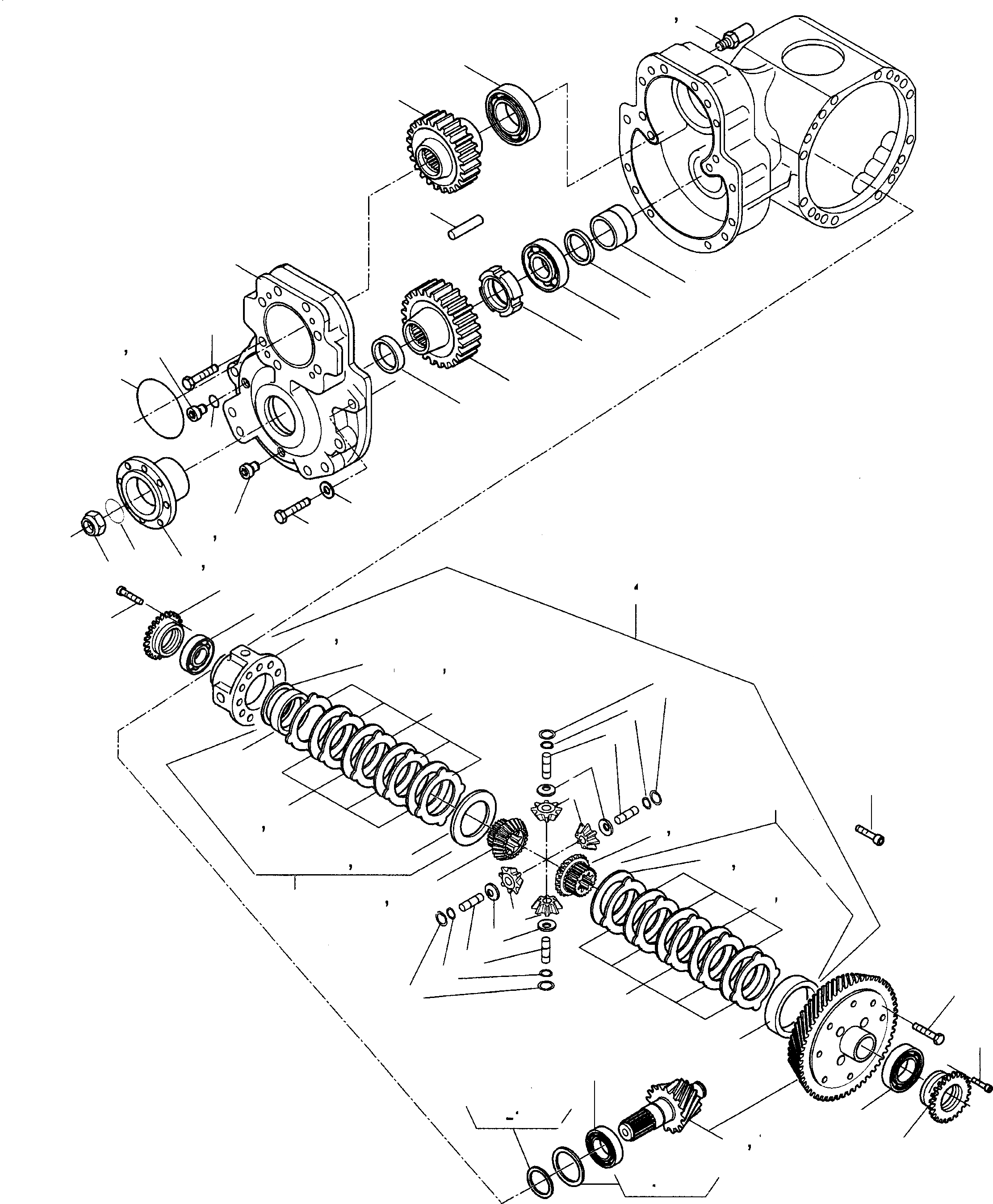
Запчасти Komatsu WA90-3 МОСТ INSERT, ЗАДН. МОСТ ЗАДН. МОСТ

Схема запчастей Komatsu WA90-3 - МОСТ INSERT, ЗАДН. МОСТ ЗАДН. МОСТ
9
15
17A
13A
17A
6
16B
10D
25A
26A
43
43A
25A
34A
9A
8
37A
2A
11C
26
26A
27A
16
16A
41
5
28
29
35
12
37
30
3
31
4
38
32
33
34
2
36
1
24
15
14
27
39
22
20
19
21
7
40
18
42
26
17
25
25
17
42
18
21
19
20
23
39
22
14
7
12
10
13
24
11
FIT
1:1
100%

Артикул

Название

Примечание

Количество

1

42W-22-H0P07

NUT

1шт.

2

42W-22-H0P08

FLANGE

SN: Y-ITA-748277

1шт.

2A

42W-22-H0P66

FLANGE

SN: Y-ITA-748278-UP

1шт.

3

42U-23-H0P99

O-RING

1шт.

4

42W-23-H0P00

SHAFT SEAL

1шт.

5

42W-23-H0P02

COVER

1шт.

6

42W-23-H0P03

BALL BEARING

1шт.

7

42W-22-H0P41

DISTANCE PIECE

2шт.

8

42W-23-H0P04

GEAR

1шт.

9

42W-23-H0P05

BREATHER

SN: Y-ITA-768164

1шт.

9A

42W-23-H0P65

BREATHER

SN: Y-ITA-768165-E-ITA-708990

1шт.

10

42W-22-H0P14

SHIM

SN: E-ITA-708990

-26шт.

10A

42W-22-H0P15

SHIM

SN: E-ITA-708990

-26шт.

10B

42W-22-H0P16

SHIM

SN: E-ITA-708990

-26шт.

10C

42W-22-H0P17

SHIM

SN: E-ITA-708990

-26шт.

10D

42W-22-H0P18

SHIM

SN: E-ITA-708990

-26шт.

11

42W-22-H0P19

SHIM

SN: E-ITA-708990

-26шт.

11A

42W-23-H0P06

SHIM

SN: E-ITA-708990

-26шт.

11B

42W-22-H0P21

SHIM

SN: E-ITA-708990

-26шт.

11C

42W-22-H0P22

SHIM

SN: E-ITA-708990

-26шт.

12

42W-22-H0P23

BEARING

SN: E-ITA-708990

2шт.

13

42W-23-H0P08

DRIVE

SN: Y-ITA-748277

1шт.

13A

42W-22-H0P67

DRIVE

SN: Y-ITA-748278-UP

1шт.

14

42W-22-H0P25

SCREW

2шт.

15

42W-22-H0P26

BEARING

2шт.

16

42W-22-H0P27

SHIM

2шт.

16A

42W-22-H0P28

SHIM

2шт.

16B

42W-22-H0P29

SHIM

2шт.

17

42W-22-H0P30

BEVEL GEAR

SN: Y-ITA-748277

2шт.

17A

42W-23-H0P59

BEVEL GEAR

SN: Y-ITA-748278-UP

2шт.

18

42W-22-H0P31

BEVEL GEAR

4шт.

19

42W-22-H0P32

PIN

4шт.

20

42W-22-H0P33

CIRCLIP

4шт.

21

42W-22-H0P34

THRUST WASHER

4шт.

22

42W-22-H0P35

DISC

6шт.

23

42R-23-H0P14

SCREW

12шт.

24

42W-22-H0P37

NUT

2шт.

25

42W-22-H0P38

DISC

SN: Y-ITA-748274

2шт.

25A

42W-22-H0P69

DISC

SN: Y-ITA-748275-UP

2шт.

26

42W-22-H0P39

DISC

SN: Y-ITA-748274

4шт.

26A

42W-22-H0P70

DISC

SN: Y-ITA-748275-UP

4шт.

27

42W-22-H0P40

HOUSING

SN: Y-ITA-748277

1шт.

27A

42W-23-H0P60

DIFFERENTIAL HOUSING

SN: Y-ITA-748278-UP

1шт.

28

42W-23-H0P09

DISTANCE PIECE

1шт.

29

42W-23-H0P10

SEAL

1шт.

30

42W-22-H0P12

NUT

1шт.

31

42W-23-H0P11

GEAR

1шт.

32

42W-23-H0P12

SPRING WASHER

8шт.

33

42W-23-H0P13

SCREW

8шт.

34

42W-22-H0P06

MAGNETIC PLUG

SN: C-ITA-747799

1шт.

34A

42R-22-H0P17

MAGNETIC PLUG

SN: C-ITA-747800-UP

1шт.

35

42W-23-H0P90

SCREW

6шт.

36

42W-22-H0P11

O-RING

1шт.

37

42U-22-H0P29

PLUG

SN: C-ITA-747799

1шт.

37A

42T-22-H0P43

PLUG

SN: C-ITA-747800-UP

1шт.

38

42U-22-H0P28

SEAL

SN: C-ITA-747799

2шт.

39

42W-22-H0P10

CIRCLIP

4шт.

40

42W-22-H0P09

SCREW

4шт.

41

42W-23-H0P15

PEG

1шт.

42

42W-22-H0P73

DISC KIT

1шт.

43

42R-22-H0P15

DIFFERENTIAL ASSEMBLY

SN: C-ITA-747799

1шт.

43A

42R-22-H0P14

DIFFERENTIAL ASSEMBLY

SN: C-ITA-747800-UP

1шт.

Выбрано товаров: 62