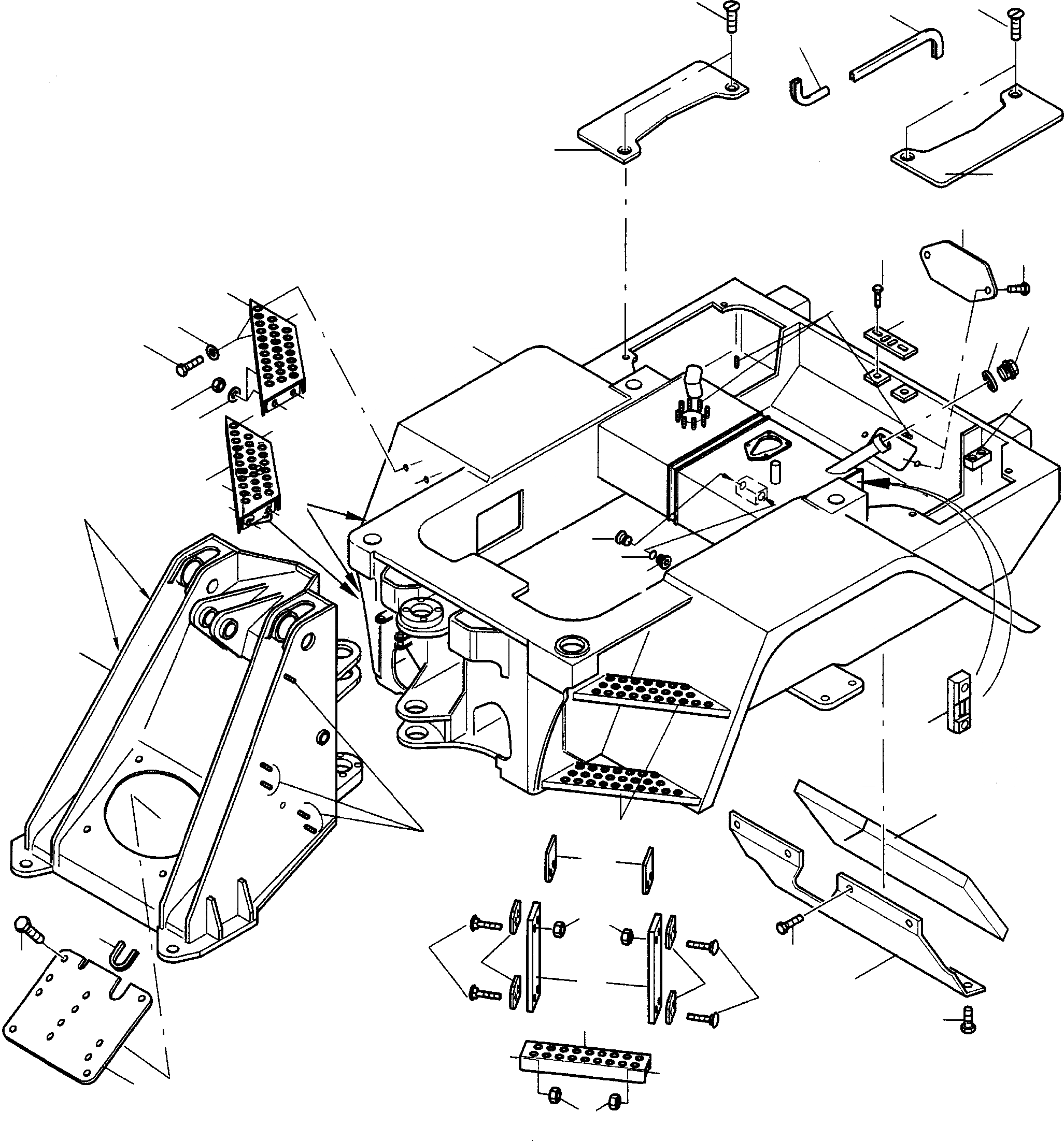
Запчасти Komatsu WA90-3 РАМА, ПЕРЕДН. И ЗАДН. РАМА

Схема запчастей Komatsu WA90-3 - РАМА, ПЕРЕДН. И ЗАДН. РАМА
11
15
11
8A
18
12
10
10
13
22
14
24
4
21
26
23
20
3
25
5
27
26
28
7
2
35
36
37
1
19
17
6
2
29
33
30
15
31
9
32
31
16
30
34
8
33
FIT
1:1
100%

Артикул

Название

Примечание

Количество

1

42W-46-11100

FRONT FRAME

1шт.

2

42Y-00-H1170

THREADED PIN

13шт.

3

42W-46-12200

REAR FRAME

1шт.

4

42Y-00-H0030

THREADED PIN

18шт.

5

42T-46-12J20

SLAT

1шт.

6

42W-46-12G10

STAIR

2шт.

7

42Y-00-H0030

THREADED PIN

4шт.

8

42W-46-11180

COVER

1шт.

8A

42Y-00-H3050

PROTECTIVE STRIP

1шт.

9

42W-09-H0560

SCREW

4шт.

10

42W-46-12F40

COVER

2шт.

11

42U-09-H1460

PLOUGH BOLT

4шт.

12

42Y-00-H3310

PROFILE

1шт.

13

42U-46-12G60

COVER

1шт.

14

01435-00816

SCREW

2шт.

15

01435-00812

SCREW

8шт.

16

42W-46-12E20

BODY GUARD

1шт.

17

42W-46-12F60

INSULATING MAT

1шт.

18

42Y-00-H3310

PROFILE

1шт.

19

42R-60-15080

OIL LEVEL GLASS

1шт.

20

421-00-H1190

SEAL

1шт.

21

42U-46-12N50

PLUG

1шт.

22

01435-01025

SCREW

2шт.

23

42U-46-12S20

PLATE

1шт.

24

42W-46-12210

STAIR

1шт.

25

01435-01030

SCREW

4шт.

26

01643-31032

PLAIN WASHER

8шт.

27

421-00-H0590

NUT

4шт.

28

42W-46-12220

STAIR

1шт.

29

42W-46-12N30

BRACKET

2шт.

30

421-00-H1740

SCREW

8шт.

31

42W-54-14B50

PLATE

4шт.

32

42W-54-14B60

RUBBER

2шт.

33

01580-11008

NUT

8шт.

34

42W-54-14180

STAIR

1шт.

35

421-00-H1790

PLUG

1шт.

36

42T-09-H1070

SEAL

1шт.

37

419-09-H1720

SCREW

1шт.

Выбрано товаров: 38