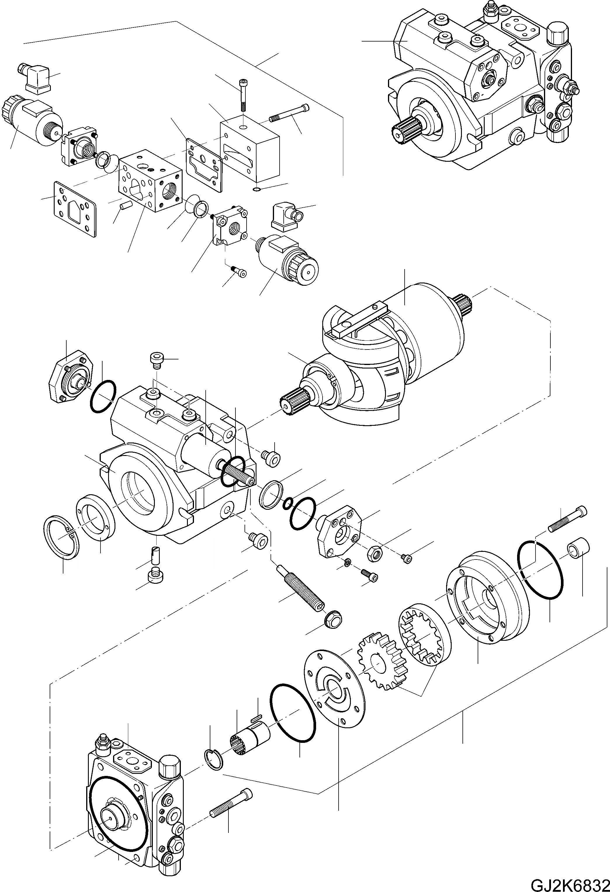
Запчасти Komatsu WA90-3 AXIAL ПОРШЕНЬ НАСОС, С SPEED УПРАВЛ-Е ТРАНСМИССИЯ, КРЕСТОВИНА

Схема запчастей Komatsu WA90-3 - AXIAL ПОРШЕНЬ НАСОС, С SPEED УПРАВЛ-Е ТРАНСМИССИЯ, КРЕСТОВИНА
1
26
30
29
27
36
28
34
35
32
33
29
31
40
41
39
38
37
3
4
14
13
9
10
11
25
12
15
16
17
18
21
20
19
23
22
24
8
7
5
6
2
42
43
44
49
50
51
46
45
47
52
48
54
55
53
FIT
1:1
100%

Артикул

Название

Примечание

Количество

1

42W-17-11160

AXIAL PISTON PUMP

1шт.

2

HOUSING

1шт.

3

42U-17-H0P74

PUMP

1шт.

4

42U-17-H0P75

CIRCLIP

1шт.

5

42W-17-H0P49

SHAFT SEAL

1шт.

6

42U-17-H0P77

CIRCLIP

1шт.

7

42U-17-H0P78

LINK PIN

1шт.

8

42R-17-H0P14

PLUG

1шт.

9

42R-17-H0P11

PLUG

4шт.

10

42W-17-H0R10

PISTON

1шт.

11

42U-17-H0P82

SEAL

2шт.

12

42U-17-H0P83

GUIDE BUSH

2шт.

13

42U-17-H0P84

O-RING

1шт.

14

42U-17-H0P85

COVER

1шт.

15

42T-17-H0P09

O-RING

1шт.

16

42U-17-H0P84

O-RING

1шт.

17

42U-17-H0P88

COVER

1шт.

18

42R-17-H0P44

NUT

1шт.

19

42U-17-H0P90

SPRING WASHER

8шт.

20

42W-17-H0P62

SCREW

8шт.

21

42U-17-H0P80

PLUG

1шт.

22

42U-17-H0P93

ADJUSTING SCREW

1шт.

23

42R-17-H0P83

NUT

1шт.

24

42R-17-H0P15

PLUG

1шт.

25

42R-17-H0P10

PLUG

1шт.

26

42U-17-H0S07

VALVE ASSEMBLY

1шт.

27

42U-17-H0S06

GASKET

1шт.

28

42W-17-H0P96

ACTUATER

1шт.

29

42R-17-H0S97

MAGNET

2шт.

30

42R-17-H0R32

SOCKET

1шт.

31

42R-17-H0R31

SOCKET

1шт.

32

42R-17-H0S98

VALVE BLOCK

2шт.

33

42R-17-H0T05

SCREW

8шт.

34

42R-17-H0T07

O-RING

2шт.

35

42R-17-H0T08

SPRING SEAT

2шт.

36

42R-17-H0T09

DOWEL

2шт.

37

42R-17-H0T02

GASKET

1шт.

38

42W-17-H0R11

COVER

1шт.

39

42R-17-H0R14

SCREW

1шт.

40

42W-17-H0R12

O-RING

1шт.

41

42R-17-H0T03

SCREW

4шт.

42

42W-17-H0P73

O-RING

1шт.

43

42U-17-H0R08

VALVE BLOCK

1шт.

|$50

VALVE BLOCK

-3шт.

44

42U-17-H0R09

SCREW

4шт.

45

42W-17-H0R13

WEAR PLATE

1шт.

46

42T-17-H0P20

SEAL

1шт.

47

42W-17-H0R14

GEAR PUMP

1шт.

48

HOUSING

1шт.

49

42U-17-H0R12

SNAP RING

1шт.

50

42W-17-H0P77

SHAFT

1шт.

51

42R-17-H0P92

KEY PARALLEL

1шт.

52

42U-17-H0R15

GEAR KIT

1шт.

53

42U-17-H0R17

SCREW

4шт.

54

42T-17-H0P22

O-RING

1шт.

55

42U-17-H0R19

BUSHING

1шт.

Выбрано товаров: 56