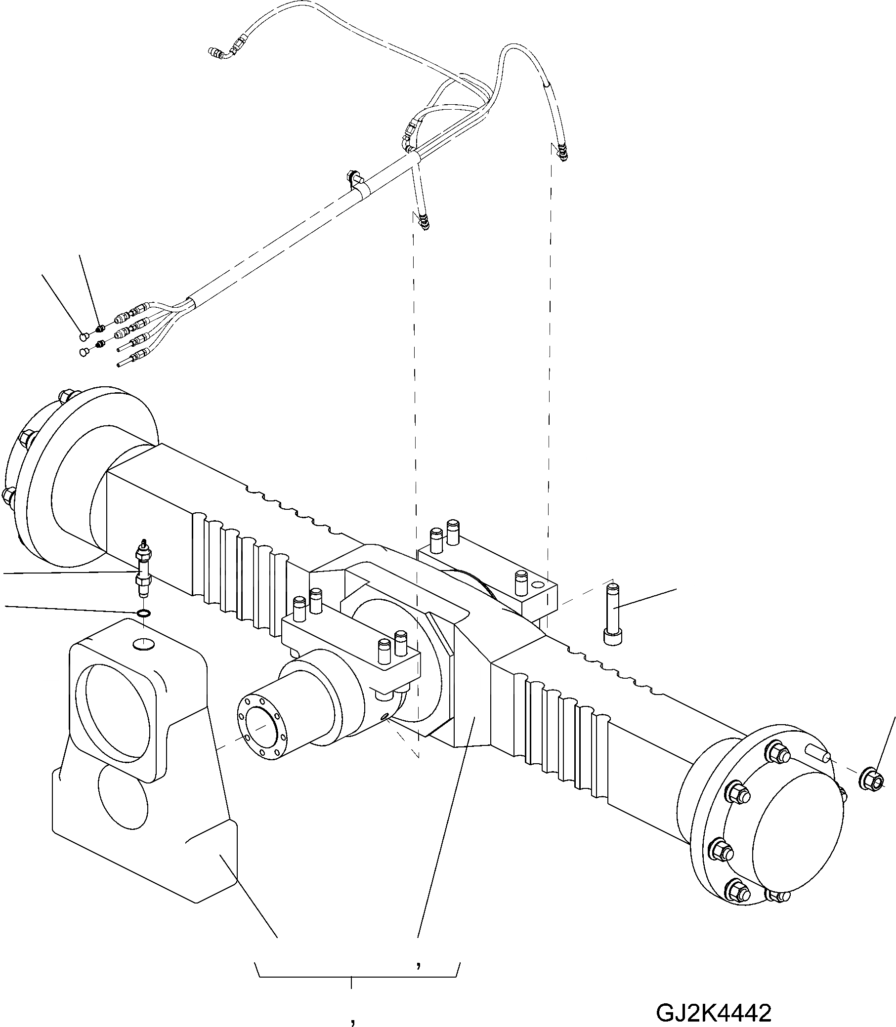
Запчасти Komatsu WA90-5 20 km ЗАДН. МОСТ ЗАДН. МОСТ

Схема запчастей Komatsu WA90-5 20 km - ЗАДН. МОСТ ЗАДН. МОСТ
1
2
10
11
6
9
7
8
3
4
5
FIT
1:1
100%

Артикул

Название

Примечание

Количество

1

42W-23-21100

REAR AXLE ASSEMBLY

1шт.

2

42W-23-21230

REAR AXLE ASSEMBLY

1шт.

3

42W-23-21110

REAR AXLE

1шт.

4

42W-23-21220

REAR AXLE

1шт.

5

42W-23-21500

TRANSMISSION

1шт.

6

42T-06-25200

SENSOR

1шт.

7

42W-09-H2860

SEAL

1шт.

8

42T-09-H3280

NUT

16шт.

9

01252-72090

SCREW

8шт.

10

42Y-00-H0040

LUBRICATION NIPPLE

2шт.

11

424-V07-H070

SECURITY CAP

2шт.

Выбрано товаров: 11