Запчасти Komatsu WA900-1ПОЛ(№-) РАМА И ЧАСТИ КОРПУСА

Схема запчастей Komatsu WA900-1 -  ПОЛ(№-) РАМА И ЧАСТИ КОРПУСА
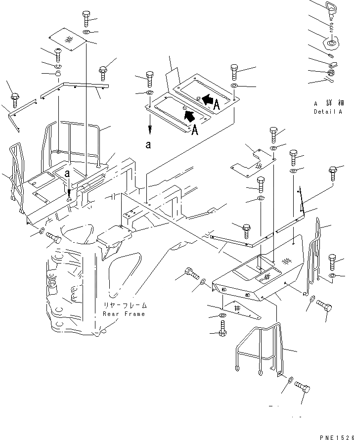
1
2
3
4
5
6
7
8
9
10
11
12
13
13
13
14
14
14
14
15
16
17
18
19
19
20
21
21
21
22
23
24
25
25
26
27
28
29
30
31
32
32
33
33
34
35
36
37
38
38
38
38
FIT
1:1
100%

Артикул

Название

Примечание

Количество

1

427-Z87-1130

FRAME,FLOOR¤ L.H.

SN: 10001-10006

1шт.

2

427-Z87-1230

FRAME,FLOOR¤ R.H.

SN: 10001-10006

1шт.

3

427-54-12571

COVER

SN: 10001-@

2шт.

4

01010-81230

BOLT

SN: 10001-@

8шт.

5

01643-31232

WASHER

SN: 10001-@

8шт.

6

427-54-12770

COVER

SN: 10001-@

1шт.

7

01010-81230

BOLT

SN: 10001-@

4шт.

8

01643-31232

WASHER

SN: 10001-@

4шт.

9

427-54-12672

COVER

SN: 10001-@

1шт.

10

01010-81020

BOLT

SN: 10001-@

5шт.

11

01643-31032

WASHER

SN: 10001-@

5шт.

12

01010-81230

BOLT

SN: 10001-@

8шт.

13

01010-81235

BOLT

SN: 10001-@

10шт.

14

424-54-26540

WASHER

SN: 10001-@

18шт.

15

427-54-14110

HANDRAIL,L.H.

SN: 10001-10006

1шт.

16

427-54-14120

HANDRAIL,R.H.

SN: 10001-@

1шт.

17

427-54-14130

HANDRAIL,L.H.

SN: 10001-10006

1шт.

18

427-54-14141

HANDRAIL,R.H.

SN: 10001-@

1шт.

19

01010-81230

BOLT

SN: 10001-10006

24шт.

20

01010-81235

BOLT

SN: 10001-10006

8шт.

21

01643-31232

WASHER

SN: 10001-10006

32шт.

22

418-60-15150

STOPPER

SN: 10001-@

1шт.

23

01220-40630

SCREW

SN: 10001-@

1шт.

24

01602-20619

WASHER,SPRING

SN: 10001-@

1шт.

25

427-54-11382

COVER

SN: 10001-@

2шт.

26

426-06-11261

HANDLE

SN: 10001-@

2шт.

27

09468-00003

SPRING

SN: 10001-@

2шт.

28

04025-00532

PIN,SPRING

SN: 10001-@

2шт.

29

426-06-11270

LOCK

SN: 10001-@

2шт.

30

01590-31215

NUT

SN: 10001-@

2шт.

31

04050-13020

PIN,COTTER

SN: 10001-@

2шт.

32

01010-81235

BOLT

SN: 10001-@

8шт.

33

01643-31232

WASHER

SN: 10001-@

8шт.

34

427-Z87-1110

GUARD,L.H.

SN: 10001-10006

1шт.

35

427-Z87-1120

GUARD,L.H.

SN: 10001-10006

1шт.

36

427-Z87-1210

GUARD,R.H.

SN: 10001-@

1шт.

37

427-Z87-1220

GUARD,R.H.

SN: 10001-@

1шт.

38

01435-01220

BOLT

SN: 10001-10006

14шт.

Выбрано товаров: 38