Запчасти Komatsu WA900-1 ПОГРУЗ. НАСОС (/) УПРАВЛ-Е РАБОЧИМ ОБОРУДОВАНИЕМ

Схема запчастей Komatsu WA900-1 - ПОГРУЗ. НАСОС (/) УПРАВЛ-Е РАБОЧИМ ОБОРУДОВАНИЕМ
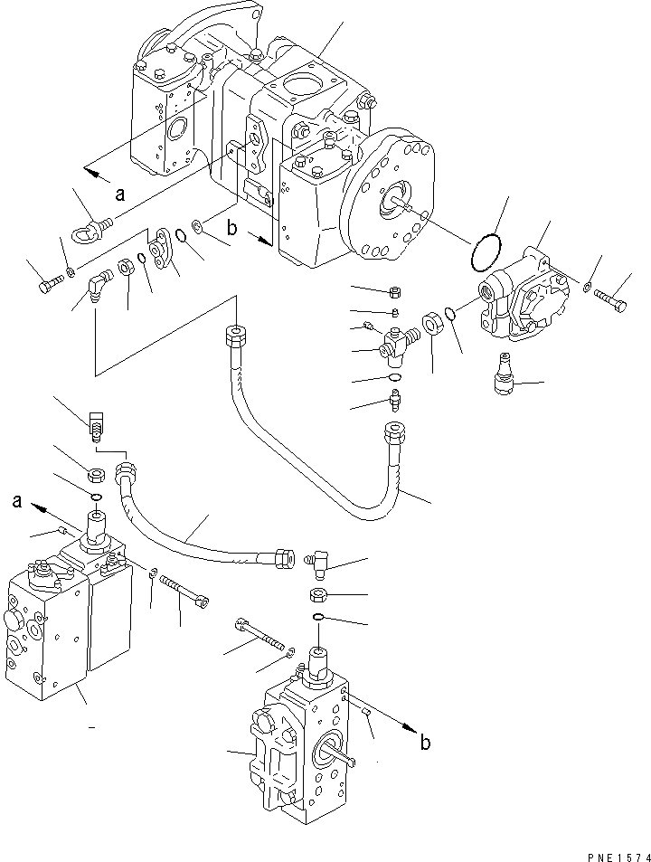
1
2
3
4
4
5
5
6
6
7
8
9
10
11
12
13
14
15
16
17
18
19
20
21
22
23
24
25
26
27
28
29
29
30
30
31
31
32
33
FIT
1:1
100%

Артикул

Название

Примечание

Количество

|1

708-25-02044

PUMP ASS'Y

SN: 10001-UP

1шт.

|$$2

THIS ASSEMBLY CONSISTS OF ALL PARTS SHOWN IN FIGS.Y0600-01A0 T0 Y0600-11A0.

-1шт.

1

708-25-61104

PUMP SUB ASS'Y

SN: 10001-UP

1шт.

2

708-25-08111

SERVO VALVE ASS'Y,FRONT

SN: 10001-UP

1шт.

3

708-25-66101

SERVO VALVE ASS'Y,REAR

SN: 10001-UP

1шт.

4

04020-00616

PIN,DOWEL

SN: 10001-UP

4шт.

5

708-25-19130

BOLT

SN: 10001-UP

8шт.

6

01602-00825

WASHER,SPRING

SN: 10001-UP

8шт.

7

704-24-28203

PUMP ASS'Y

SN: 10001-UP

1шт.

8

708-25-19180

O-RING

SN: 10001-UP

1шт.

9

708-25-64900

VALVE ASS'Y,RELIEF

SN: 10001-UP

1шт.

10

01010-31260

BOLT

SN: 10001-UP

2шт.

11

01643-31232

WASHER

SN: 10001-UP

2шт.

12

720-68-15240

FILTER

SN: 10001-UP

1шт.

13

708-25-19120

FLANGE

SN: 10001-UP

1шт.

14

07000-32021

O-RING

SN: 10001-UP

1шт.

15

01010-30820

BOLT

SN: 10001-UP

2шт.

16

01602-20825

WASHER,SPRING

SN: 10001-UP

2шт.

17

07232-30422

ELBOW

SN: 10001-UP

1шт.

18

07239-12009

NUT

SN: 10001-UP

1шт.

19

07002-32034

O-RING

SN: 10001-UP

1шт.

20

07102-20405

HOSE

SN: 10001-UP

1шт.

21

708-25-29120

JOINT

SN: 10001-UP

1шт.

22

07042-20108

PLUG

SN: 10001-UP

1шт.

23

07230-20422

UNION

SN: 10001-UP

1шт.

24

07002-32034

O-RING

SN: 10001-UP

1шт.

25

07239-12410

NUT

SN: 10001-UP

1шт.

26

07002-32434

O-RING

SN: 10001-UP

1шт.

27

07222-00414

PLUG

SN: 10001-UP

1шт.

28

07221-20422

NUT

SN: 10001-UP

1шт.

29

07235-10210

ELBOW

SN: 10001-UP

2шт.

30

07239-11408

NUT

SN: 10001-UP

2шт.

31

07002-31423

O-RING

SN: 10001-UP

2шт.

32

07102-20203

HOSE

SN: 10001-UP

1шт.

33

04530-01018

BOLT,EYE

SN: 10001-UP

1шт.

Выбрано товаров: 35