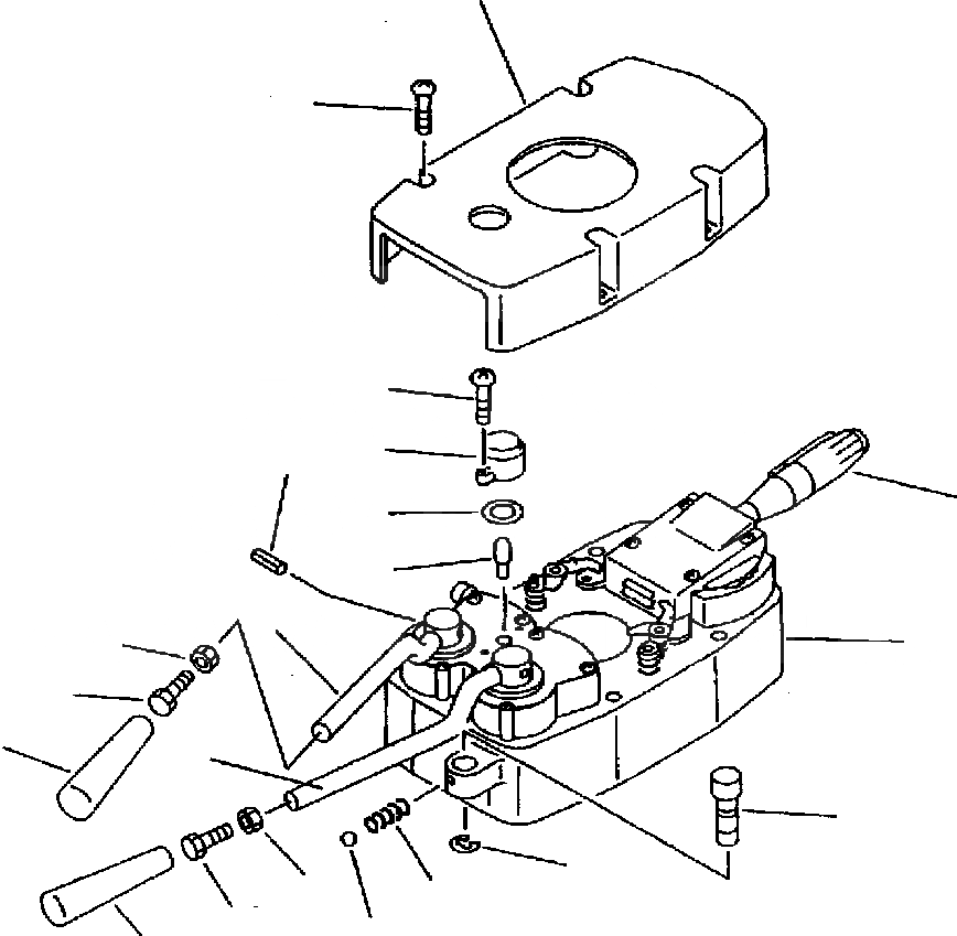
Запчасти Komatsu WA900-1L FIG NO. УПРАВЛ-Е ТРАНСМИССИЕЙ ПЕРЕКЛЮЧАТЕЛЬ РУЛЕВ. УПРАВЛЕНИЕ СИСТЕМА УПРАВЛЕНИЯ

Схема запчастей Komatsu WA900-1L - FIG NO. УПРАВЛ-Е ТРАНСМИССИЕЙ ПЕРЕКЛЮЧАТЕЛЬ РУЛЕВ. УПРАВЛЕНИЕ СИСТЕМА УПРАВЛЕНИЯ
16
17
15
13
7
2
14
12
3
4B
1
4
5
10
11
8
9
6
4A
6A
6B
FIT
1:1
100%

Артикул

Название

Примечание

Количество

1

427-06-11602

SWITCH ASS'Y

1шт.

2

421-06-18220

KNOB ASS'Y, LAMP AND TURN SIGNAL

1шт.

3

421-06-18191

LEVER ASS'Y, TRANSMISSION F-R

1шт.

4

421-06-18160

KNOB

1шт.

4A

421-06-18230

BOLT

1шт.

4B

421-06-18240

NUT

1шт.

5

421-06-18211

LEVER ASS'Y, TRANSMISSION SPEED

1шт.

6

421-06-18160

KNOB

1шт.

6A

421-06-18230

BOLT

1шт.

6B

421-06-18240

NUT

1шт.

7

04025-00520

PIN, SPRING

2шт.

8

421-06-18120

SPRING

1шт.

9

04260-00317

BALL

1шт.

10

421-06-18110

PIN, LOCK

1шт.

11

421-06-18130

RING, SNAP

1шт.

12

7815-11-1010

BULB, 1.4 W

1шт.

13

421-06-18170

LENS, HAZARD PILOT

1шт.

14

421-06-18180

PACKING

1шт.

15

01220-40310

SCREW

2шт.

16

427-06-18140

COVER

1шт.

17

421-06-18150

SCREW

4шт.

Выбрано товаров: 21