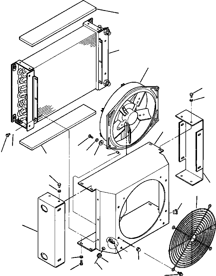
Запчасти Komatsu WA900-1L FIG NO. 7 КОНДИЦ. КОНДЕНСАТОР РАМА

Схема запчастей Komatsu WA900-1L - FIG NO. 7 КОНДИЦ. КОНДЕНСАТОР РАМА
13
12
3
11
10
4
8
9
10
8
11
1
19
7
11
10
17
1
16
18
10
2
6
5
11
14
15
FIT
1:1
100%

Артикул

Название

Примечание

Количество

|$0

20Y-979-A221

CONDENSER ASSEMBLY

1шт.

1

425-963-AC50

GUARD, FAN

1шт.

2

425-963-A820

ANCHOR, WIRE TIE

1шт.

3

20Y-979-A951

FAN ASSEMBLY

1шт.

4

425-963-A650

HOUSING, CONDENSER WELDMENT

1шт.

5

425-963-AB40

GROMMET

1шт.

6

425-963-A830

NUT, M8x1-1/4 ACORN

4шт.

7

01643-50823

WASHER, 8MM FLAT

4шт.

8

01602-20825

WASHER, 8MM LOCKING

4шт.

9

01010-50820

BOLT, M8x1-1/4x20 HEX

4шт.

10

120 380

WASHER, 1/4 LOCKING

14шт.

11

01010-50610

BOLT, M6x1x10 HEX

14шт.

12

425-963-AC30

COIL, CONDENSER

1шт.

13

425-963-A580

FOAM, COVER

2шт.

14

20Y-979-A940

HARNESS, WIRING

1шт.

15

20Y-979-A960

BOLT, 1/4-20x3/4 FLANGE HEAD

4шт.

16

425-963-A890

PLUG, PLASTIC 9/16

1шт.

17

20Y-979-A920

BRACKET

1шт.

18

20Y-979-A930

BRACKET

1шт.

19

1308 979 H1

SPACER

4шт.

Выбрано товаров: 20