Запчасти Komatsu WA900-1L FIG NO. 8A ТОПЛИВН. НАСОС МЕХАНИЗМ (/) ТОПЛИВН. СИСТЕМА

Схема запчастей Komatsu WA900-1L - FIG NO. 8A ТОПЛИВН. НАСОС МЕХАНИЗМ (/) ТОПЛИВН. СИСТЕМА
20
21
17
20
16
15
21
20
21
14
19
18
2
1
3
11
4
10
9
5
6
10
13
12
10
7
8
8
FIT
1:1
100%

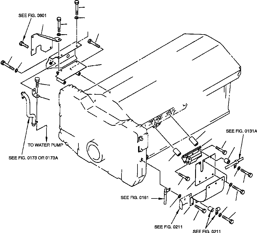
Артикул

Название

Примечание

Количество

1

6215-71-7521

ADAPTER, L.H

1шт.

2

6150-81-6940

SPACER

2шт.

3

01010-31090

BOLT

2шт.

4

6134-11-5120

SPACER

1шт.

5

01010-31070

BOLT

1шт.

6

6215-71-2633

COVER, L.H

1шт.

7

6215-71-2641

COVER, L.H

1шт.

8

01010-51020

BOLT

5шт.

9

01010-51040

BOLT

2шт.

10

01643-31032

WASHER

7шт.

11

6631-11-5630

SPACER

2шт.

12

01010-51045

BOLT

1шт.

13

01643-31032

WASHER

1шт.

14

6215-71-2681

BRACKET, R.H

1шт.

15

01011-51000

BOLT

2шт.

16

6215-71-2623

COVER, R.H

1шт.

17

6215-71-2613

COVER, R.H

1шт.

18

6215-71-2710

STAY

1шт.

19

01010-31025

BOLT

1шт.

20

01010-51020

BOLT

5шт.

21

01643-31032

WASHER

5шт.

Выбрано товаров: 21