Запчасти Komatsu WA900-1L FIG NO. A ЭЛЕКТРИКА (ЗАДН. ОСВЕЩЕНИЕ) КОМПОНЕНТЫ ДВИГАТЕЛЯ & ЭЛЕКТРИКА

Схема запчастей Komatsu WA900-1L - FIG NO. A ЭЛЕКТРИКА (ЗАДН. ОСВЕЩЕНИЕ) КОМПОНЕНТЫ ДВИГАТЕЛЯ & ЭЛЕКТРИКА
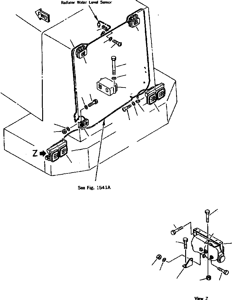
19
17
18
21
20
13
17
14
11
12
15
1
23
3
15
24
16
10
1
2
2
22
9
1
8
7
4
5
6
FIT
1:1
100%

Артикул

Название

Примечание

Количество

1

421-06-13730

LAMP ASS'Y, REAR, L. H

1шт.

|$1

421-06-13820

LAMP ASS'Y, REAR, R. H

1шт.

|$2

421-06-13740

LENS, STOP LAMP

1шт.

|$3

421-06-13750

LENS, TURN SIGNAL LAMP

1шт.

|$4

08105-12420

BULB, 25W

1шт.

|$5

08104-12420

BULB, 25/10W

1шт.

|$6

08102-12403

BULB, 3W

1шт.

|$7

421-09-11450

CONNECTOR

1шт.

|$8

421-09-11460

TERMINAL

5шт.

|$9

421-09-11470

CAP

1шт.

2

01435-00820

BOLT

6шт.

3

01641-20608

WASHER

2шт.

4

10580-10806

NUT

2шт.

5

426-06-11550

BRACKET, L. H

1шт.

|$14

426-06-11560

BRACKET, R. H

1шт.

6

01010-80616

BOLT

2шт.

7

01643-30623

WASHER

2шт.

8

01580-01605

NUT

2шт.

9

01435-00816

BOLT

2шт.

10

421-06-13901

LAMP ASS'Y, BACK

1шт.

|$20

421-06-13911

LENS

1шт.

|$21

08105-12420

BULB, 25W

1шт.

11

737 188 C2

ALARM, BACK UP

1шт.

12

01010-80820

BOLT

1шт.

13

6132-11-6460

BOLT

2шт.

14

10640-20816

WASHER

4шт.

15

01643-30823

WASHER

2шт.

16

01580-10806

NUT

2шт.

17

421-06-13202

WORK LAMP ASS'Y

2шт.

|$29

22W-06-12170

BULB, 24V

1шт.

|$30

421-06-13120

CUSHION

4шт.

18

427-06-12162

WIRE ASS'Y

1шт.

19

08052-01711

CLIP

1шт.

20

01220-40608

SCREW

1шт.

21

01641-20608

WASHER

1шт.

22

424-06-12780

CLIP

2шт.

23

08052-01911

CLIP

2шт.

24

01220-40608

SCREW

2шт.

Выбрано товаров: 38