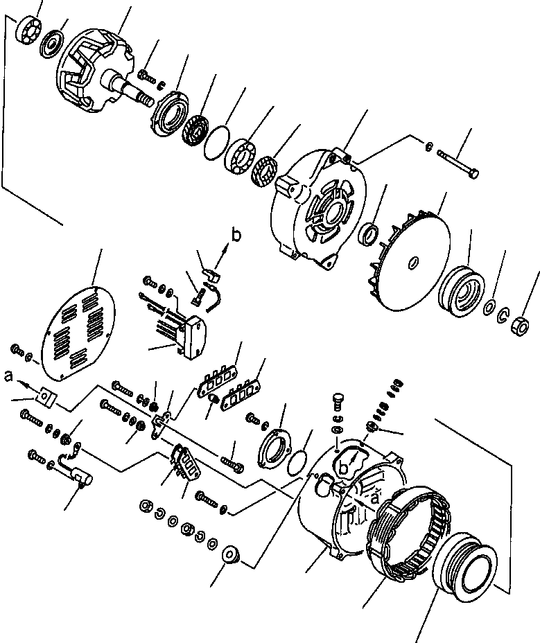
Запчасти Komatsu WA900-1L FIG NO. ГЕНЕРАТОР (7A) ЭЛЕКТРИКА

Схема запчастей Komatsu WA900-1L - FIG NO. ГЕНЕРАТОР (7A) ЭЛЕКТРИКА
18
21
19
27
26
23
25
24
22
23
28
29
30
31
34
13
32
33
12
3
15
4
10
6
17
7
10
16
9
5
14
10
3
4
11
2
8
1
20
FIT
1:1
100%

Артикул

Название

Примечание

Количество

|$0

600-821-9530

ALTERNATOR A. (75A)

1шт.

1

SD1211-40300X0

STATOR ASS'Y

1шт.

|$2

SD1230-18802X0

REAR BRACKET ASS'Y

1шт.

2

SD2240-19500X0

BRACKET, REAR

1шт.

3

SD1235-06400X0

HEAT SINK ASS'Y(+)

2шт.

4

SD1235-06410X0

HEAT SINK ASS'Y(-)

2шт.

5

SD5010-26400X0

BOLT

1шт.

6

SD3220-38800X0

SUPPORT

1шт.

7

SD4215-04000X0

INSULATOR

1шт.

8

SD4041-07500X0

BUSHING

1шт.

9

SD4215-03900X0

INSULATOR

4шт.

10

SD4041-00900X0

BUSHING

4шт.

11

SD6060-11920X0

CONDENSER

1шт.

12

SD8140-0503010

BOLT

1шт.

13

SD4215-01300X0

INSULATOR

1шт.

14

SD4041-05700X0

BUSHING

1шт.

15

SD1510-02910X0

REGULATOR ASS'Y

1шт.

16

SD4142-01000X0

O-RING

1шт.

17

SD2202-01401X0

COVER

1шт.

18

SD6206-00730X0

BEARING, BALL

1шт.

19

SD3409-00300X0

COVER

1шт.

20

SD1251-00700X0

COIL ASS'Y

1шт.

21

SD1221-15100X0

ROTOR ASS'Y

1шт.

|$23

SD1240-07200X0

FRONT BRACKET ASS'Y

1шт.

22

SD2242-08600X0

BRACKET, FRONT

1шт.

23

SD6410-02000X0

SEAL, OIL

2шт.

24

SD6206-00320X0

BEARING, BALL

1шт.

25

SD4142-00900X0

O-RING

1шт.

26

SD2202-02200X0

COVER

1шт.

27

SD5010-21500X0

BOLT

3шт.

28

SD5010-04730X0

BOLT

4шт.

29

SD3600-17300X0

COLLAR

1шт.

30

SD1982-03200X0

FAN ASS'Y

1шт.

31

SD2080-22200X0

PULLEY, ALTERNATOR

1шт.

32

SD3000-07800X0

WASHER

1шт.

33

SD8264-1830010

NUT

1шт.

34

SD3002-04600X0

COVER

1шт.

Выбрано товаров: 37