Запчасти Komatsu WA900-1L FIG NO. 7 ЭЛЕКТРИКА (/) (ДЛЯ ДЖОЙСТИК РУЛЕВ. УПРАВЛЕНИЕ) КОМПОНЕНТЫ ДВИГАТЕЛЯ & ЭЛЕКТРИКА

Схема запчастей Komatsu WA900-1L - FIG NO. 7 ЭЛЕКТРИКА (/) (ДЛЯ ДЖОЙСТИК РУЛЕВ. УПРАВЛЕНИЕ) КОМПОНЕНТЫ ДВИГАТЕЛЯ & ЭЛЕКТРИКА
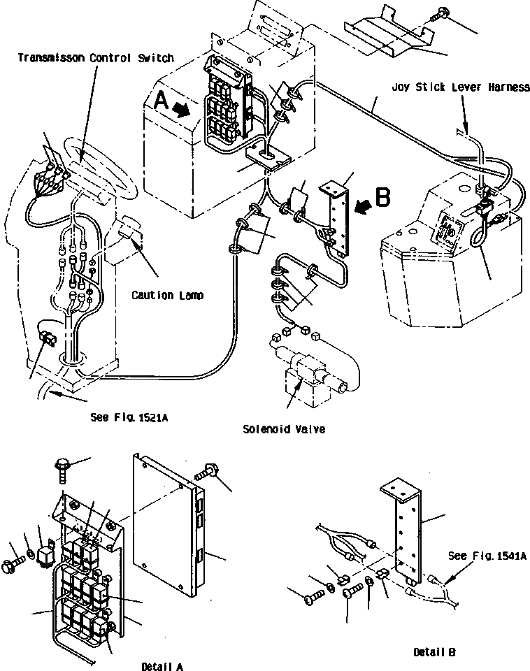
5
4
19
1
20
14
19
21
19
2
19
3
13
7
12
7
14
6
9
8
16
10
18
17
6
15
1
18
11
17
6
FIT
1:1
100%

Артикул

Название

Примечание

Количество

1

427-S33-2974

WIRING HARNESS

1шт.

|$1

08020-10000

DIODE

21шт.

|$2

600-842-2130

RESISTOR, 5.62K OHM

1шт.

2

421-06-11561

SWITCH JOYSTICK, ON-OFF

1шт.

3

287-06-16410

RELAY

1шт.

4

427-S33-2690

PLATE

1шт.

5

01435-00610

BOLT

1шт.

6

287-06-16410

RELAY

1шт.

7

421-06-11940

RELAY

1шт.

8

01435-00610

BOLT

1шт.

9

01643-30623

WASHER

1шт.

10

7823-48-5001

CONTROLLER

1шт.

11

427-S33-2980

BRACKET

1шт.

12

01435-00816

BOLT

1шт.

13

01435-01016

BOLT

1шт.

14

427-06-A2110

PLATE

1шт.

15

08052-02711

CLIP

1шт.

16

08052-02411

CLIP

1шт.

17

01220-40608

SCREW

1шт.

18

01641-20608

WASHER

1шт.

19

08034-20834

BAND

1шт.

20

22T-05-15630

DIODE, LED

1шт.

21

427-S33-A110

SHEET

1шт.

Выбрано товаров: 0