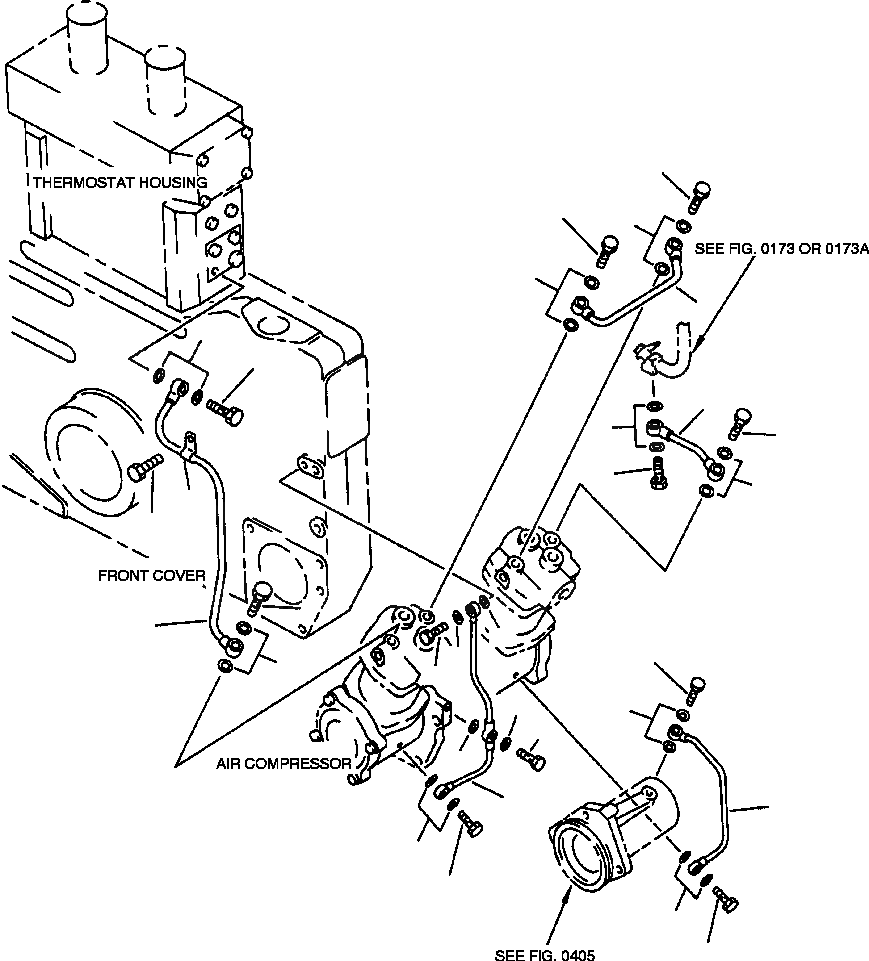
Запчасти Komatsu WA900-1L FIG NO. 7 ЛИНИЯ КОМПРЕССОРА (/) АКСЕССУАРЫ

Схема запчастей Komatsu WA900-1L - FIG NO. 7 ЛИНИЯ КОМПРЕССОРА (/) АКСЕССУАРЫ
4
4
5
5
1
5
4
2
5
4
4
5
6
7
4
3
12
11
12
5
11
12
12
10
12
8
9
12
11
12
11
FIT
1:1
100%

Артикул

Название

Примечание

Количество

1

6215-81-5330

TUBE, WATER

1шт.

2

6215-81-5311

TUBE, WATER

1шт.

3

6215-81-5320

TUBE, WATER

1шт.

4

07206-31014

BOLT, JOINT

6шт.

5

07005-01412

GASKET

12шт.

6

6215-81-5391

CLIP

1шт.

7

01011-31245

BOLT

1шт.

8

6215-81-5221

TUBE

1шт.

9

6215-81-5211

TUBE

1шт.

10

6150-51-9470

BOLT, JOINT

1шт.

11

07206-30710

BOLT, JOINT

4шт.

12

07005-01012

GASKET

10шт.

|$$13

-1шт.

|$13

F1 - PART OF GASKET SET 6215-K8-4001.

-1шт.

|$$15

-1шт.

Выбрано товаров: 15