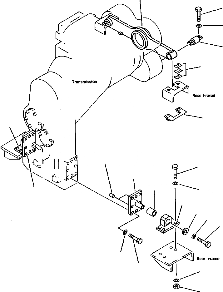
Запчасти Komatsu WA900-1L FIG NO. ТОРКФЛОУ ЭЛЕМЕНТЫ КРЕПЛЕНИЯ ГИДРОТРАНСФОРМАТОР И ТРАНСМИССИЯ

Схема запчастей Komatsu WA900-1L - FIG NO. ТОРКФЛОУ ЭЛЕМЕНТЫ КРЕПЛЕНИЯ ГИДРОТРАНСФОРМАТОР И ТРАНСМИССИЯ
13
17
18
14
15
16
6
2
10
1
5
1
6
7
9
8
4
11
12
3
11
FIT
1:1
100%

Артикул

Название

Примечание

Количество

1

427-14-11120

PIN

2шт.

2

04020-01842

PIN, DOWEL

4шт.

3

01010-62470

BOLT

12шт.

4

01643-32460

WASHER

12шт.

5

569-14-41130

CUSHION

2шт.

6

427-14-11130

BRACKET

2шт.

7

15R-70-14180

PLATE

2шт.

8

01010-62040

BOLT

2шт.

9

01643-32060

WASHER

2шт.

10

01010-62480

BOLT

8шт.

11

01643-32460

WASHER

16шт.

12

01580-02419

NUT

8шт.

13

427-14-11111

TRUNNION

1шт.

14

568-16-12151

CUSHION

2шт.

15

427-09-11210

SHIM, 0.5MM

32шт.

16

427-14-11141

PLATE

2шт.

17

01010-62085

BOLT

4шт.

18

01643-32060

WASHER

4шт.

Выбрано товаров: 18