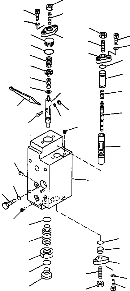
Запчасти Komatsu WA900-1LC A20008-UP FIG NO. ПЕРЕКЛЮЧАТЕЛЬ НАСОС (СЕРВОКЛАПАН, ЗАДН. /) (/) УПРАВЛ-Е РАБОЧИМ ОБОРУДОВАНИЕМ

Схема запчастей Komatsu WA900-1LC A20008-UP - FIG NO. ПЕРЕКЛЮЧАТЕЛЬ НАСОС (СЕРВОКЛАПАН, ЗАДН. /) (/) УПРАВЛ-Е РАБОЧИМ ОБОРУДОВАНИЕМ
12
13
10
14
28
6
29
27
11
7
30
25
5
24
8
23
9
4
3
22
33
21
36
35
2
34
20
2
1
32
31
2
16
24
15
26
17
25
27
19
30
18
29
28
FIT
1:1
100%

Артикул

Название

Примечание

Количество

|$0

PUMP SUB ASS'Y (SEE PG 06-052)

-29шт.

|$1

VALVE ASS'Y, SERVO, REAR (SEE PG 06-074)

-29шт.

|$2

708-25-09420

VALVE SUB ASS'Y, SERVO

1шт.

|$3

708-23-00411

BODY ASS'Y

1шт.

1

NSS

BODY

1шт.

2

NSS

EXPANDER

5шт.

3

708-25-15120

PISTON

1шт.

4

708-25-15130

SEAT

1шт.

5

708-25-55120

SPRING

1шт.

6

708-25-15160

PLUG

1шт.

7

07000-32018

O-RING

1шт.

8

708-23-15120

SEAT

1шт.

9

708-25-55130

SPRING

1шт.

10

708-25-15340

SCREW

1шт.

11

708-25-15150

COVER

1шт.

12

01580-10806

NUT

1шт.

13

708-25-15320

BOLT

2шт.

14

01602-20619

WASHER, SPRING

2шт.

15

708-25-15171

PLUG

1шт.

16

07002-22034

O-RING

1шт.

17

07239-12009

NUT

1шт.

18

07040-11007

PLUG

1шт.

19

07002-21013

O-RING

1шт.

20

708-25-15180

SLEEVE

1шт.

21

708-25-15280

SPOOL

1шт.

22

708-25-15310

SPRING

1шт.

23

708-25-15330

SPACER

1шт.

24

07000-32012

O-RING

2шт.

25

708-25-15250

COVER

2шт.

26

708-25-15430

PLUG

1шт.

27

708-25-15340

SCREW

2шт.

28

01580-10806

NUT

2шт.

29

708-25-15320

BOLT

4шт.

30

01602-20619

WASHER, SPRING

4шт.

31

708-25-15260

PLUG

1шт.

32

07002-20823

O-RING

1шт.

33

708-25-15270

ARM

1шт.

34

708-25-15360

PIN

1шт.

35

708-25-15370

WASHER

1шт.

36

708-25-15380

E-RING

1шт.

Выбрано товаров: 40