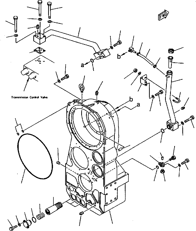
Запчасти Komatsu WA900-1LC A20008-UP КОРПУС ПЕРЕДАЧИ ГИДРОТРАНСФОРМАТОР И ТРАНСМИССИЯ

Схема запчастей Komatsu WA900-1LC A20008-UP - КОРПУС ПЕРЕДАЧИ ГИДРОТРАНСФОРМАТОР И ТРАНСМИССИЯ
42
43
45
44
37
45
40
47
34
41
45
36
17
35
39
36
48
16
49
38
5
15
2
33
32
31
28
46
29
30
8
19
20
22
6
18
3
24
21
26
27
25
23
7
9
10
12
11
14
13
1
4
FIT
1:1
100%

Артикул

Название

Примечание

Количество

|$0

427-15-00013

TRANSMISSION ASS'Y

1шт.

|$1

427-15-00180

CASE ASS'Y

1шт.

1

NSS

CASE

1шт.

2

07042-70211

PLUG

1шт.

3

07043-72026

PLUG

2шт.

4

01721-11617

PLUG

4шт.

5

04530-03655

BOLT, EYE

2шт.

6

04020-01842

PIN, DOWEL

1шт.

7

198-15-29610

O-RING

1шт.

8

07000-73035

O-RING

2шт.

9

425-15-11710

MAGNET ASS'Y

3шт.

10

287-15-11560

SPRING

3шт.

11

427-15-13390

COVER

3шт.

12

07000-02075

O-RING

3шт.

13

01010-51240

BOLT

6шт.

14

01643-31232

WASHER

6шт.

15

427-15-18102

TUBE

1шт.

16

07056-10045

STRAINER

1шт.

17

07051-00000

CAP

1шт.

18

07000-73048

O-RING

1шт.

19

01011-51210

BOLT

4шт.

20

01643-31232

WASHER

4шт.

|$22

6693-22-5600

VALVE ASS'Y

1шт.

21

NSS

BODY

1шт.

22

NSS

VALVE

1шт.

23

426-60-15160

PLUG

1шт.

24

04020-00514

PIN, DOWEL

1шт.

25

07000-73028

O-RING

1шт.

26

01010-51030

BOLT

2шт.

27

01643-31032

WASHER

2шт.

28

427-15-18120

BRACKET

1шт.

29

01010-51230

BOLT

2шт.

30

01643-31232

WASHER

2шт.

31

07283-36155

CLIP

1шт.

32

06143-31032

WASHER

2шт.

33

01582-11008

NUT

2шт.

34

427-15-11610

ELBOW

1шт.

35

07260-20936

HOSE

1шт.

36

07281-00197

CLAMP

2шт.

37

427-16-11420

TUBE

1шт.

38

07000-73045

O-RING

1шт.

39

427-15-15930

GASKET

1шт.

40

01010-51290

BOLT

4шт.

41

01643-31232

WASHER

4шт.

42

427-15-16410

BOLT

1шт.

43

427-15-16420

BOLT

1шт.

44

01010-51085

BOLT

2шт.

45

01643-31032

WASHER

4шт.

46

07042-20415

PLUG

3шт.

47

07042-20108

PLUG

1шт.

48

01010-51665

BOLT

11шт.

49

01643-31645

WASHER

11шт.

N/I

427-15-05011

SERVICE KIT, TRANSMISSION

1шт.

|$$54

-1шт.

|$54

F1 - PART OF TRANSMISSION SERVICE KIT 427-15-05011.

-1шт.

|$$56

-1шт.

Выбрано товаров: 56