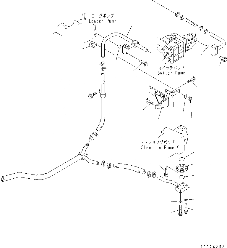
Запчасти Komatsu WA900-3 ТРАНСМИССИЯ (ЛИНИЯ КЛАПАНА PPC¤ ЗАДН. /)(№9-) ГИДРОТРАНСФОРМАТОР И ТРАНСМИССИЯ

Схема запчастей Komatsu WA900-3 - ТРАНСМИССИЯ (ЛИНИЯ КЛАПАНА PPC¤ ЗАДН. /)(№9-) ГИДРОТРАНСФОРМАТОР И ТРАНСМИССИЯ
1
2
3
4
5
6
7
8
9
10
11
12
13
14
14
15
16
17
17
18
19
FIT
1:1
100%

Артикул

Название

Примечание

Количество

1

427-62-12940

TUBE

SN: 50095-UP

1шт.

2

07000-53030

O-RING

SN: 50095-UP

1шт.

3

01435-01055

BOLT

SN: 50095-UP

2шт.

4

427-62-22980

PLATE

SN: 50095-UP

1шт.

5

01435-01025

BOLT

SN: 50095-UP

2шт.

6

07283-33442

CLIP

SN: 50095-UP

1шт.

7

01597-01009

NUT

SN: 50095-UP

2шт.

8

01643-31032

WASHER

SN: 50095-UP

2шт.

9

427-62-24991

BRACKET

SN: 50095-UP

1шт.

10

01435-01225

BOLT

SN: 50095-UP

2шт.

11

427-62-24110

TUBE

SN: 50095-UP

1шт.

12

421-62-13740

ADAPTER

SN: 50095-UP

1шт.

13

01252-71220

BOLT

SN: 50095-UP

4шт.

14

07000-53048

O-RING

SN: 50095-UP

2шт.

15

01010-81255

BOLT

SN: 50095-UP

3шт.

16

01010-81250

BOLT

SN: 50095-UP

1шт.

17

01643-51232

WASHER

SN: 50095-UP

4шт.

18

07000-53030

O-RING

SN: 50095-UP

1шт.

19

01435-01055

BOLT

SN: 50095-UP

2шт.

Выбрано товаров: 19