Качественные детали и логистика
Оригинальные и аналоговые запчасти с доставкой по России, Казахстану и Беларуси
©2022 PartSell ООО "Система" ИНН 2463123282 ОГРН 1212400004838
Центральный офис: г. Красноярск, Академика Киренского, д.87, пом.4
Телефон: 8 (800) 777-65-74 Email: zakaz@partsell.ru
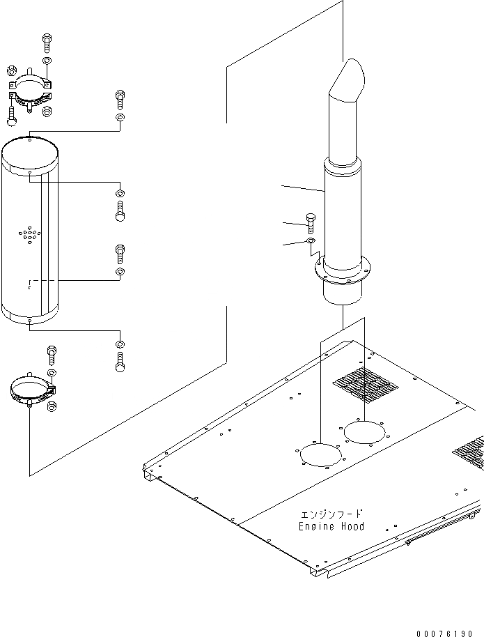
ВЫХЛОПНАЯ ТРУБА(№9-)
№
Артикул
Название
Примечание
Количество
1
427-02-21110
STACK
SN: 50095-UP
2шт.
2
01010-81240
BOLT
12шт.
3
01643-31232
WASHER
Выбрано товаров: 0