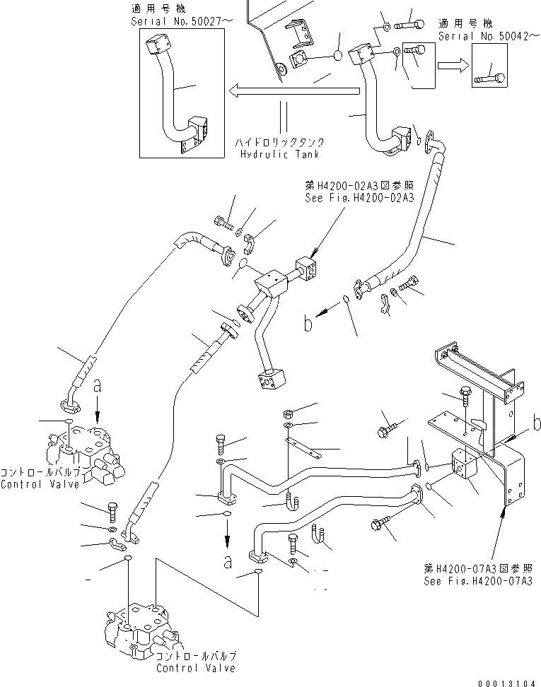
Запчасти Komatsu WA900-3 ГИДРАВЛ ЛИНИЯ (ЗАПРАШИВАЮЩ. КЛАПАН - УПРАВЛЯЮЩ. КЛАПАН) (ПРОХОДНОЙ ФИЛЬТР)(№-9) ГИДРАВЛИКА

Схема запчастей Komatsu WA900-3 - ГИДРАВЛ ЛИНИЯ (ЗАПРАШИВАЮЩ. КЛАПАН - УПРАВЛЯЮЩ. КЛАПАН) (ПРОХОДНОЙ ФИЛЬТР)(№-9) ГИДРАВЛИКА
1
2
2
3
4
5
6
7
7
8
9
10
11
12
13
14
15
16
17
18
19
20
21
22
23
24
24
25
26
27
28
29
30
30
31
32
33
34
34
35
36
36
37
38
38
FIT
1:1
100%

Артикул

Название

Примечание

Количество

1

427-62-15611

HOSE

SN: 50001-UP

1шт.

2

07000-F3048

O-RING

SN: 50001-UP

2шт.

3

07371-51470

FLANGE,SPLIT

SN: 50001-UP

4шт.

4

01010-81455

BOLT

SN: 50001-UP

8шт.

5

01643-31445

WASHER

SN: 50001-UP

8шт.

6

427-62-15750

HOSE

SN: 50001-UP

1шт.

7

07000-F3048

O-RING

SN: 50001-UP

2шт.

8

07371-51470

FLANGE,SPLIT

SN: 50001-UP

4шт.

9

01010-81455

BOLT

SN: 50001-UP

8шт.

10

01643-31445

WASHER

SN: 50001-UP

8шт.

11

427-62-12611

TUBE

SN: 50001-UP

1шт.

12

01010-81240

BOLT

SN: 50001-UP

4шт.

13

01643-31232

WASHER

SN: 50001-UP

4шт.

14

07000-F2060

O-RING

SN: 50001-UP

1шт.

15

01435-01245

BOLT

SN: 50001-UP

4шт.

16

07000-F3048

O-RING

SN: 50001-UP

1шт.

17

427-62-12621

TUBE

SN: 50001-UP

1шт.

18

01010-81240

BOLT

SN: 50001-UP

4шт.

19

01643-31232

WASHER

SN: 50001-UP

4шт.

20

07000-F2060

O-RING

SN: 50001-UP

1шт.

21

01435-01245

BOLT

SN: 50001-UP

4шт.

22

07000-F3048

O-RING

SN: 50001-UP

1шт.

23

427-62-12580

PLATE

SN: 50001-UP

1шт.

24

07283-34949

CLIP

SN: 50001-UP

2шт.

25

01597-01009

NUT

SN: 50001-UP

4шт.

26

01643-31032

WASHER

SN: 50001-UP

4шт.

27

427-62-22660

BLOCK

SN: 50001-UP

1шт.

28

01435-01230

BOLT

SN: 50001-UP

3шт.

29

427-62-13932

HOSE

SN: 50001-UP

1шт.

30

07000-F2070

O-RING

SN: 50001-UP

2шт.

31

07371-12484

FLANGE,SPLIT

SN: 50001-UP

4шт.

32

07372-21240

BOLT

SN: 50001-UP

8шт.

33

01643-51232

WASHER

SN: 50001-UP

8шт.

34

427-62-23112

TUBE

SN: 50042-UP

1шт.

34

427-62-23111

TUBE

SN: 50027-50041

1шт.

34

427-62-23110

TUBE

SN: 50001-50026

1шт.

35

07000-F2070

O-RING

SN: 50001-UP

1шт.

36

01011-81220

BOLT

SN: 50042-UP

4шт.

36

01011-81200

BOLT

SN: 50001-50041

2шт.

37

01010-81245

BOLT

SN: 50001-50041

2шт.

38

01643-31232

WASHER

SN: 50001-UP

4шт.

Выбрано товаров: 41