Качественные детали и логистика
Оригинальные и аналоговые запчасти с доставкой по России, Казахстану и Беларуси
©2022 PartSell ООО "Система" ИНН 2463123282 ОГРН 1212400004838
Центральный офис: г. Красноярск, Академика Киренского, д.87, пом.4
Телефон: 8 (800) 777-65-74 Email: zakaz@partsell.ru
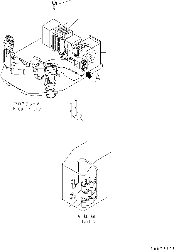
ПОЛ SUB (БЛОК КОНДИЦ. ВОЗДУХА)(№9-)
№
Артикул
Название
Примечание
Количество
1
425-07-21141
DAMPER ASS'Y
SN: 50095-UP
1шт.
2
425-07-21160
RELAY
8шт.
3
421-07-21280
HOSE
2шт.
4
01435-00620
BOLT
5
425-07-21111
AIR CONDITIONER U.
Выбрано товаров: 0