Запчасти Komatsu WA900-3E0 ГИДРАВЛ ЛИНИЯ (РАСПРЕДЕЛИТ. КЛАПАН) (СЕВ. АМЕРИКА)(№-) ГИДРАВЛИКА

Схема запчастей Komatsu WA900-3E0 - ГИДРАВЛ ЛИНИЯ (РАСПРЕДЕЛИТ. КЛАПАН) (СЕВ. АМЕРИКА)(№-) ГИДРАВЛИКА
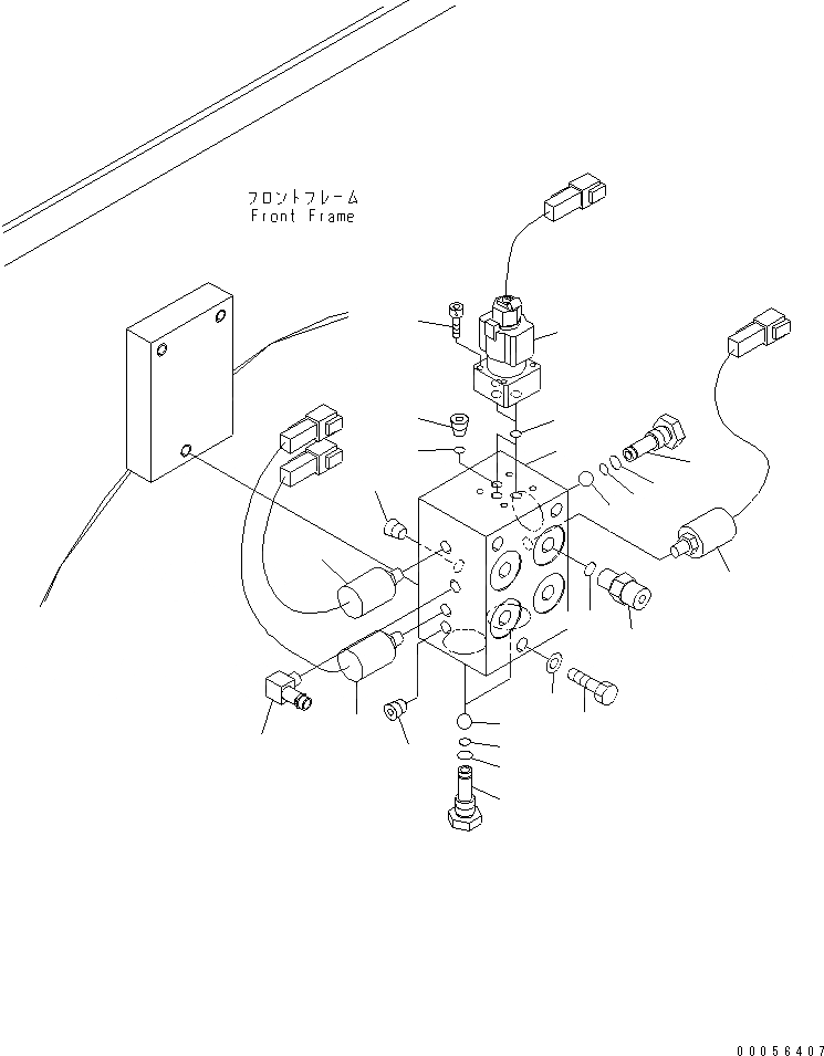
1
2
2
3
3
4
4
5
5
6
7
7
8
9
10
11
12
12
13
13
14
15
16
17
FIT
1:1
100%

Артикул

Название

Примечание

Количество

|$2

427-S31-2201

VALVE ASS'Y

SN: 60001-UP

1шт.

1

421-S31-2110

BODY

SN: 60001-UP

1шт.

2

427-S30-2510

PLUG

SN: 60001-UP

3шт.

3

07002-11423

O-RING

SN: 60001-UP

3шт.

4

07000-11007

O-RING

SN: 60001-UP

3шт.

5

04260-00952

BALL

SN: 60001-UP

3шт.

6

427-S31-2120

PLUG

SN: 60001-UP

1шт.

7

07043-70108

PLUG

SN: 60001-UP

2шт.

8

01010-81095

BOLT

SN: 60001-UP

3шт.

9

01643-31032

WASHER

SN: 60001-UP

3шт.

10

42C-S31-1170

VALVE ASS'Y

SN: 60001-UP

1шт.

11

01252-40425

BOLT

SN: 60001-UP

4шт.

12

07000-E1008

O-RING

SN: 60001-UP

3шт.

13

42C-06-15131

SWITCH

SN: 60001-UP

2шт.

14

427-62-14750

ELBOW

SN: 60001-UP

1шт.

15

42C-06-15121

SWITCH

SN: 60001-UP

1шт.

16

02781-0031D

UNION

SN: 60001-UP

4шт.

17

07002-21423

O-RING

SN: 60001-UP

4шт.

Выбрано товаров: 18