Качественные детали и логистика
Оригинальные и аналоговые запчасти с доставкой по России, Казахстану и Беларуси
©2022 PartSell ООО "Система" ИНН 2463123282 ОГРН 1212400004838
Центральный офис: г. Красноярск, Академика Киренского, д.87, пом.4
Телефон: 8 (800) 777-65-74 Email: zakaz@partsell.ru
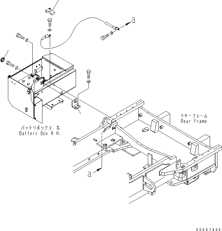
КОРПУС АККУМУЛЯТОРА¤ ПРАВ. (ЭЛЕМЕНТЫ КРЕПЛЕНИЯ)(№-)
№
Артикул
Название
Примечание
Количество
3
09415-02512
CAP
SN: 60001-UP
1шт.
4
427-06-24471
BRACKET
5
424-09-12530
BOOT
Выбрано товаров: 0