Запчасти Komatsu WA900-3E0 ГИДРОТРАНСФОРМАТОР И ТРАНСМИССИЯ (ЛИНИЯ КЛАПАНА PPC¤ ЗАДН. /)(№-) ГИДРОТРАНСФОРМАТОР И ТРАНСМИССИЯ

Схема запчастей Komatsu WA900-3E0 - ГИДРОТРАНСФОРМАТОР И ТРАНСМИССИЯ (ЛИНИЯ КЛАПАНА PPC¤ ЗАДН. /)(№-) ГИДРОТРАНСФОРМАТОР И ТРАНСМИССИЯ
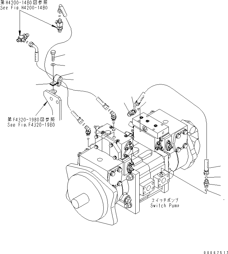
1
2
3
4
5
6
7
7
8
9
10
11
FIT
1:1
100%

Артикул

Название

Примечание

Количество

1

04434-52110

CLIP

SN: 60001-UP

1шт.

2

07095-20314

CUSHION

SN: 60001-UP

1шт.

3

04434-51610

CLIP

SN: 60001-UP

1шт.

4

01010-81025

BOLT

SN: 60001-UP

1шт.

5

01643-31032

WASHER

SN: 60001-UP

1шт.

6

02756-00204

HOSE

SN: 60001-UP

1шт.

7

02896-21008

O-RING

SN: 60001-UP

2шт.

8

02781-0021D

UNION

SN: 60001-UP

1шт.

9

07002-21423

O-RING

SN: 60001-UP

1шт.

10

02782-10210

ELBOW

SN: 60001-UP

1шт.

11

07002-21423

O-RING

SN: 60001-UP

1шт.

Выбрано товаров: 11