Запчасти Komatsu WA900-3E0 ГИДРАВЛ ЛИНИЯ (ЭЛЕМЕНТЫ КРЕПЛЕНИЯ) (ДЛЯ ПРОХОДНОЙ ФИЛЬТР И ТОРМОЗ. СИСТЕМА ОХЛАЖДЕНИЯ)(№-) ГИДРАВЛИКА

Схема запчастей Komatsu WA900-3E0 - ГИДРАВЛ ЛИНИЯ (ЭЛЕМЕНТЫ КРЕПЛЕНИЯ) (ДЛЯ ПРОХОДНОЙ ФИЛЬТР И ТОРМОЗ. СИСТЕМА ОХЛАЖДЕНИЯ)(№-) ГИДРАВЛИКА
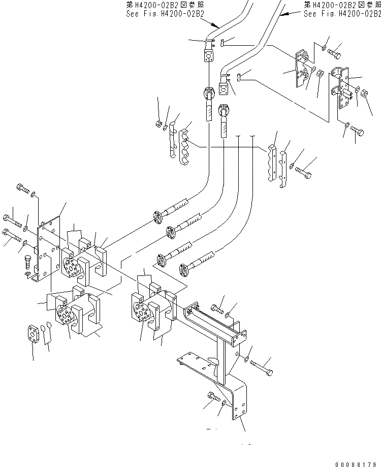
3
4
5
6
7
8
9
9
10
10
11
11
12
12
13
13
14
14
15
16
16
17
18
19
20
20
21
21
22
22
22
23
23
23
23
24
24
24
25
25
26
27
27
27
28
29
FIT
1:1
100%

Артикул

Название

Примечание

Количество

3

427-62-13842

BRACKET

SN: 60005-@

1шт.

4

01010-81235

BOLT

SN: 60005-@

4шт.

5

01643-31232

WASHER

SN: 60005-@

4шт.

6

41F-S05-1790

BRACKET

SN: 60005-@

1шт.

7

01010-81235

BOLT

SN: 60005-@

2шт.

8

01643-31232

WASHER

SN: 60005-@

2шт.

9

07283-34957

CLIP

SN: 60005-@

6шт.

10

07283-54959

SEAT

SN: 60005-@

6шт.

11

01597-01009

NUT

SN: 60005-@

12шт.

12

01643-31032

WASHER

SN: 60005-@

12шт.

13

427-62-24890

BRACKET

SN: 60005-@

2шт.

14

427-62-14881

STRIP

SN: 60005-@

2шт.

15

01011-81015

BOLT

SN: 60005-@

2шт.

16

01643-31032

WASHER

SN: 60005-@

4шт.

17

01596-01009

NUT

SN: 60005-@

2шт.

18

427-N35-2112

BRACKET

SN: 60005-60050

1шт.

19

427-N35-1320

BRACKET

SN: 60005-60050

1шт.

20

01010-81245

BOLT

SN: 60005-@

8шт.

21

01643-31232

WASHER

SN: 60005-@

8шт.

22

209-60-63300

FILTER ASS'Y

SN: 60005-@

3шт.

23

209-62-61190

CLAMP

SN: 60005-60050

6шт.

24

209-62-61210

CLAMP

SN: 60005-60050

6шт.

25

01011-81610

BOLT

SN: 60005-60050

8шт.

26

01011-81615

BOLT

SN: 60005-60050

4шт.

27

01643-31645

WASHER

SN: 60005-@

12шт.

28

427-N35-1180

SPACER

SN: 60005-@

1шт.

29

07000-F3048

O-RING

SN: 60005-@

2шт.

Выбрано товаров: 27