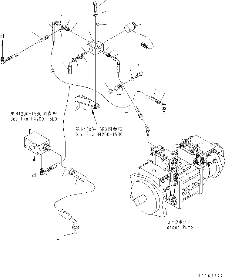
Запчасти Komatsu WA900-3E0 ГИДРАВЛ ЛИНИЯ (ЛИНИЯ КЛАПАНА PPC¤ ЗАДН. /)(№-) ГИДРАВЛИКА

Схема запчастей Komatsu WA900-3E0 - ГИДРАВЛ ЛИНИЯ (ЛИНИЯ КЛАПАНА PPC¤ ЗАДН. /)(№-) ГИДРАВЛИКА
1
2
2
5
5
6
7
7
7
8
9
10
10
11
12
13
13
13
13
13
16
17
18
19
20
21
22
23
24
FIT
1:1
100%

Артикул

Название

Примечание

Количество

1

02755-00606

HOSE

SN: 60001-UP

1шт.

2

02896-21018

O-RING

SN: 60048-UP

1шт.

2

02896-21018

O-RING

SN: 60001-60047

2шт.

5

56B-43-17490

JOINT

SN: 60001-UP

2шт.

6

02781-0021D

UNION

SN: 60001-UP

1шт.

7

07002-21423

O-RING

SN: 60001-UP

3шт.

8

02754-002A4

HOSE

SN: 60001-UP

1шт.

9

02896-21008

O-RING

SN: 60048-UP

4шт.

9

02896-21008

O-RING

SN: 60001-60047

1шт.

10

02754-002A5

HOSE

SN: 60001-UP

1шт.

11

427-62-21971

HOSE

SN: 60001-UP

1шт.

12

02753-00203

HOSE

SN: 60001-UP

1шт.

13

02896-21008

O-RING

SN: 60001-UP

5шт.

16

04434-51410

CLIP

SN: 60001-UP

2шт.

17

01010-81020

BOLT

SN: 60001-UP

1шт.

18

01643-31032

WASHER

SN: 60001-UP

1шт.

19

01580-01008

NUT

SN: 60001-UP

1шт.

20

42C-49-14100

SOLENOID VALVE

SN: 60001-UP

1шт.

21

23S-60-38341

BLOCK

SN: 60001-UP

1шт.

22

07043-70108

PLUG

SN: 60001-UP

1шт.

23

01010-81070

BOLT

SN: 60001-UP

2шт.

24

01643-31032

WASHER

SN: 60001-UP

2шт.

Выбрано товаров: 22