Запчасти Komatsu WA900-3E0 СОЧЛ. СОЕД. БЛОКИР. BAR И РАМА COVER, ПЛАСТИНА (№78-) СОЧЛ. СОЕД. БЛОКИР. BAR И РАМА COVER, С СИЛОВАЯ ПЕРЕДАЧА ЧАСТИ КОРПУСА

Схема запчастей Komatsu WA900-3E0 - СОЧЛ. СОЕД. БЛОКИР. BAR И РАМА COVER, ПЛАСТИНА (№78-) СОЧЛ. СОЕД. БЛОКИР. BAR И РАМА COVER, С СИЛОВАЯ ПЕРЕДАЧА ЧАСТИ КОРПУСА
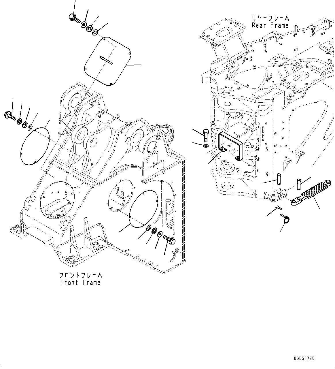
2
3
4
1
2
15
16
17
5
6
7
8
9
5
6
7
8
9
10
11
12
13
14
FIT
1:1
100%

Артикул

Название

Примечание

Количество

1

427-46-24210

Plate

SN: 60078-UP

1шт.

2

427-46-12221

Pin

SN: 60078-UP

2шт.

3

04050-10070

Pin, Cotter

SN: 60078-UP

1шт.

4

426-46-12280

Pin, Linch

SN: 60078-UP

1шт.

5

427-46-24120

Plate

SN: 60078-UP

2шт.

6

01435-01250

Bolt

SN: 60078-UP

8шт.

7

415-46-11370

Spacer

SN: 60078-UP

8шт.

8

415-46-11380

Rubber

SN: 60078-UP

8шт.

9

01640-22440

Washer, Flat

SN: 60078-UP

8шт.

10

427-46-24131

Plate

SN: 60078-UP

1шт.

11

01435-01240

Bolt

SN: 60078-UP

4шт.

12

427-54-11860

Spacer

SN: 60078-UP

4шт.

13

415-46-11380

Rubber

SN: 60078-UP

4шт.

14

01640-22232

Washer, Flat

SN: 60078-UP

4шт.

15

427-46-22531

Guard

SN: 60078-UP

1шт.

16

01010-82045

Bolt

SN: 60078-UP

4шт.

17

01643-32060

Washer

SN: 60078-UP

4шт.

Выбрано товаров: 17